PRAVILNIKO OBLIKU, SADRŽINI, NAČINU PODNOŠENJA I POPUNJAVANJA DEKLARACIJA I DRUGIH OBRAZACA U CARINSKOM POSTUPKU("Sl. glasnik RS", br. 42/2019, 51/2019, 58/2019, 65/2019, 74/2019, 96/2019, 11/2020, 43/2020, 126/2020, 6/2021, 49/2021, 66/2021, 80/2021, 129/2021, 10/2022, 42/2022, 90/2022, 139/2022, 143/2022, 25/2023, 39/2023, 6/2024, 50/2024, 76/2024, 8/2025, 42/2025, 44/2025, 52/2025, 68/2025, 70/2025, 14/2026 i 16/2026) |
Ovim pravilnikom propisuju se oblik i sadržina, način podnošenja i popunjavanja deklaracije - jedinstvene carinske isprave u redovnom i pojednostavljenom carinskom postupku i drugih deklaracija i obrazaca koji se upotrebljavaju u carinskom postupku, kao i sadržina i način unošenja podataka u elektronsku tranzitnu deklaraciju.
II JEDINSTVENA CARINSKA ISPRAVA
Jedinstvena carinska isprava (u daljem tekstu: JCI), koja se upotrebljava kao pisana deklaracija (u papirnom ili elektronskom obliku), u skladu sa članom 224. Uredbe o carinskim postupcima i carinskim formalnostima (u daljem tekstu. Uredba) ("Službeni glasnik RS", broj 39/19, 8/20, 132/21, 144/22, 117/23 i 97/24) podnosi se na obrascu koji je dat u Prilogu 1 i popunjava se na način propisan Prilogom 5. Na deklaraciju u elektronskom obliku primenjuju se odredbe ovog pravilnika koje se odnose na deklaraciju u papirnom obliku, ako je primenjivo.
Dodatni list JCI (u daljem tekstu: JCI BIS) sastavni je deo JCI, a koristi se ako se jednom JCI deklariše roba koja se svrstava u više od jedne tarifne oznake. Obrazac JCI BIS dat je u Prilogu 2.
Obrazac JCI za štampanje iz kompjuterskog sistema za obradu deklaracija na dva uzastopna kompleta od četiri lista dat je u Prilogu 3.
Obrazac JCI BIS za štampanje iz kompjuterskog sistema za obradu deklaracija dat je u Prilogu 4.
Rubrike JCI iz Priloga 1 i Priloga 2, a koje moraju biti vidljive prilikom samokopiranja, date su u Prilogu 6.
Rubrike JCI iz Priloga 3 i Priloga 4, a koje moraju biti vidljive prilikom samokopiranja, date su u Prilogu 7.
Obrasci iz st. 1-4. ovog člana su dimenzija 210 x 297 mm, sa odstupanjem koje ne može biti manje od 5 mm, niti veće od 8 mm.
Obrasci iz st. 1. i 2. ovog člana štampaju se zelenom bojom na samokopirajućem papiru, mase najmanje 40 g/m2 i ne smeju da sadrže celulozu. Papir mora biti neproziran tako da podaci na jednoj strani ne utiču na čitkost podataka na drugoj strani, a čvrstoća papira mora biti takva da se prilikom korišćenja ne može lako pocepati ili izgužvati. Papir je beli za sve obrasce. Na obrascima koji se upotrebljavaju za postupak tranzita iz člana 317. Uredbe, rubrika 1 (prva i treća podela), rubrike 2, 3, 4, 5, 6, 8, 15, 17, 18, 19, 21, 25, 27, 31, 32 i 33 (prva podela na levoj strani) i rubrike 35, 38, 40, 44, 50, 51, 52, 53, 55 i 56 imaju zelenu pozadinu.
Obrasci iz st. 1. i 2. ovog člana moraju da sadrže naziv i adresu štampara ili oznaku koja omogućava njegovo identifikovanje.
Set JCI i JCI BIS sastoji se od pojedinačnih listova, odnosno primeraka osmolisnog, odnosno četvorolisnog dvonamenskog seta.
Listovi osmolisnog seta su označeni bojama, i to:
- listovi 1, 2, 3 i 5, na desnoj ivici imaju punu liniju, obojenu po redosledu crvenom, zelenom, žutom i plavom bojom;
- listovi 4, 6, 7 i 8, na desnoj ivici imaju isprekidanu liniju obojenu po redosledu plavom, crvenom, zelenom, i žutom bojom.
Listovi četvorolisnog seta su označeni bojama, i to:
- listovi 1/6, 2/7, 3/8, 4/5 na desnoj ivici neprekidnom linijom, a desno od neprekidne linije isprekidanom linijom obojenom po redosledu crvenom, zelenom, žutom i plavom bojom.
Širina linija iz st. 2. i 3. ovog člana je 3 mm. Isprekidana linija sastavljena je od niza kvadrata dimenzija 3 x 3 mm, a između svakog kvadrata je razmak 3 mm.
Listovi iz stava 2. ovog člana namenjeni su:
- list sa brojem 1 - carinarnici u kojoj se obavljaju izvozne (otpremne) formalnosti ili formalnosti za tranzit,
- listovi sa br. 2 i 7 - za potrebe statistike,
- list sa brojem 3 - pošiljaocu/izvozniku robe pošto ga carinski organi overe,
- list sa brojem 4 - odredišnoj carinarnici,
- list sa brojem 5 - za potvrdu prijema robe polaznoj carinarnici u postupku tranzita,
- list sa brojem 6 - carinarnici u kojoj se okončavaju uvozne formalnosti,
- list sa brojem 8 - primaocu/uvozniku robe.
Svaki list četvorolisnog dvonamenskog seta JCI iz stava 3. ovog člana može se koristiti alternativno, a nekorišćeni broj na listu se precrtava.
Za određeni carinski postupak ili kombinacije carinskih postupaka mogu se koristiti delimični setovi JCI i JCI BIS, koji se sastoje od listova potrebnih za sprovođenje odgovarajućeg postupka, i to:
1) ako se roba deklariše samo za postupak tranzita, podnosi se JCI koji se sastoji od listova 1, 4 i 5;
2) ako se roba istovremeno deklariše za postupak izvoza i postupak tranzita, podnosi se JCI koja se sastoji od listova 1, 2, 3, 4 i 5, koji su namenjeni:
- list sa brojem 1 - za carinarnicu izvoznog carinjenja,
- list sa brojem 2 - za potrebe AOP i potrebe statistike,
- list sa brojem 3 - za izvoznika,
- list sa brojem 4 - za odredišnu carinarnicu,
- list sa brojem 5 - za potvrdu prijema robe polaznoj carinarnici, ako potvrdu prijema nije moguće izvršiti u informacionom sistemu carinske službe.
Posle sprovedenog izvoznog carinjenja i overe svih listova JCI, polazna carinarnica zadržava listove 1 i 2, list 3 vraća podnosiocu JCI, a listove 4 i 5 zajedno sa robom upućuje odredišnoj carinarnici.
Posle prijema robe, odredišna carinarnica overava listove JCI, zadržava list 4, a listom 5 potvrđuje prijem robe polaznoj carinarnici, ako potvrdu prijema nije moguće izvršiti u informacionom sistemu carinske službe.
Ako se za sprovođenje postupka tranzita koristi karnet TIR, za izvoz robe podnosi se JCI, koja se sastoji od listova 1, 2 i 3;
3) ako se roba deklariše za izvozni postupak, postupak ponovnog izvoza, privremenog izvoza robe i pasivnog oplemenjivanja, podnosi se JCI koja se sastoji od listova 1, 2 i 3;
4) ako se roba deklariše za postupak stavljanja robe u slobodan promet, za postupak carinskog skladištenja, za unos robe u slobodnu zonu, za postupak aktivnog oplemenjivanja, postupak privremenog uvoza ili uništenja podnosi se JCI koja se sastoji od listova 6, 7 i 8.
IIa DEKLARACIJA U ELEKTRONSKOM OBLIKU
Deklarant/zastupnik dostavlja deklaraciju u elektronskom obliku u okviru paketa koji sadrži jedinstveni identifikacioni broj paketa u formatu globalnog jedinstvenog identifikatora koji je zajednički identifikator za sve deklaracije koje se šalju u okviru paketa, kao i identifikacioni broj aplikacije, testirane za slanje deklaracija u formatu globalnog jedinstvenog identifikatora, koji proizvođaču softvera dodeljuje Uprava carina.
Potpisan paket mora biti u XMLDSIG formatu u skladu sa preporukom W3C organizacije.
Deklaracija u elektronskom obliku mora biti potpisana kvalifikovanim elektronskim potpisom, odnosno kvalifikovanim elektronskim pečatom deklaranta/zastupnika registrovanog u Upravi carina.
Isprave u papirnom obliku, prilažu se uz odštampan primerak zaglavlja konkretne deklaracije u elektronskom obliku. Zaglavlje konkretne deklaracije sadrži isključivo podatke iz rubrika 1-30 deklaracije, kao i broj i bar-kod te deklaracije.
Deklaraciju u elektronskom obliku Uprava carina potpisuje kvalifikovanim elektronskim sertifikatom.
Obaveštenje o carinskom dugu u elektronskom obliku Uprava carina, nakon potpisivanja kvalifikovanim elektronskim sertifikatom, dostavlja deklarantu/zastupniku, u skladu sa opštim uslovima elektronskog poslovanja koje utvrđuje carinski organ.
Provera statusa deklaracije vrši se u sistemu Uprave carina putem QR koda.
Provera autentičnosti deklaracije u elektronskom obliku vrši se u skladu sa propisima kojima se uređuje elektronski dokument".
Šifre koje se upisuju u pojedine rubrike JCI navedene su u Kodeksu šifara koji je dat u Prilogu 8.
III ELEKTRONSKA TRANZITNA DEKLARACIJA
Struktura i podaci deklaracije za postupak tranzita koja se podnosi uz upotrebu sistema elektronske razmene podataka dati su u Prilogu 9, a šifre koje se koriste prilikom popunjavanja date su u Prilogu 10.
Tranzitni prateći dokument (u daljem tekstu: TPD) iz člana 326. stav 6. Uredbe, podnosi se na obrascu koji je dat u Prilogu 11.
Spisak naimenovanja (u daljem tekstu: SN) iz člana 326. stav 6. Uredbe, podnosi se na obrascu koji je dat u Prilogu 12.
Tranzitni sigurnosni prateći dokument (u daljem tekstu: TSPD) iz člana 326. stav 6. Uredbe, podnosi se na obrascu koji je dat u Prilogu 13.
Spisak naimenovanja za tranzitni sigurnosni dokument (u daljem tekstu: TSSN) iz člana 326. stav 6. Uredbe, podnosi se na obrascu koji je dat u Prilogu 14.
Obrasci iz st. 2-5. ovog člana su dimenzija 210 x 297 mm, sa odstupanjem koje ne može biti manje od 5 mm, niti veće od 8 mm.
Obrasci iz st. 2-5. ovog člana za pisanu upotrebu štampaju se na papiru mase najmanje 40 g/m2, a čvrstoća papira mora biti takva da se prilikom korišćenja ne može lako pocepati ili izgužvati.
Deklaracija za situacije u kojima se primenjuje tranzitna operacija u posebnim okolnostima, za postupak tranzita iz člana 317. Uredbe, popunjava se i prihvata na način propisan Prilogom 15.
IV ULAZNA I IZLAZNA SAŽETA DEKLARACIJA
Struktura i podaci ulazne i izlazne sažete deklaracije iz čl. 112. i 234. Carinskog zakona (u daljem tekstu: Zakon) ("Službeni glasnik RS", broj 95/18, 91/19 - dr. zakon, 144/20, 118/21 i 138/22), dati su u Prilogu 16, a šifre koje se koriste prilikom popunjavanja date su u Prilogu 10.
Sigurnosni i bezbednosni dokument (u daljem tekstu: SBD), u skladu sa članom 5. stav 3., a u vezi sa članom 112. Carinskog zakona, podnosi se na obrascu koji je dat u Prilogu 17.
Ako se pošiljka za koju se podnosi ulazna sažeta deklaracija sastoji od više od jednog naimenovanja robe, sigurnosni i bezbednosni dokument dopunjava se spiskom naimenovanja, koji čini sastavni deo tog sigurnosnog i bezbednosnog dokumenta.
Sigurnosni i bezbednosni spisak naimenovanja (u daljem tekstu: SBSN) podnosi se na obrascu koji je dat u Prilogu 18.
Sigurnosni i bezbednosni dokument i sigurnosni i bezbednosni spisak naimenovanja podnose se na obrascima odštampanim uz ovaj pravilnik, ako se ne podnose sistemom elektronske razmene podataka.
Obrasci iz st. 2. i 4. ovog člana popunjavaju se u skladu sa pravilima za popunjavanje rubrika SBD i SBSN iz Priloga 16. deo 4.
Obrasci iz st. 2. i 4. ovog člana su dimenzija 210 x 297 mm, sa odstupanjima koje ne može biti manje od 5 mm, niti veće od 8 mm.
Obrasci iz st. 2. i 4. ovog člana štampaju se na samokopirajućem papiru mase najmanje 40 g/m2 i ne smeju da sadrže celulozu. Papir mora biti neproziran, tako da podaci na jednoj strani ne utiču na čitkost podataka na drugoj strani, a čvrstoća papira mora biti takva da se prilikom korišćenja ne može lako pocepati ili izgužvati.
Obrasci iz st. 2. i 4. ovog člana moraju da sadrže naziv i adresu štampara ili oznaku koja omogućuje njegovo identifikovanje.
V DEKLARACIJA O CARINSKOJ VREDNOSTI
Deklaracija o carinskoj vrednosti (u daljem tekstu: DCV) u koju se unose podaci o vrednosti robe za jednu pošiljku radi naplate uvoznih dažbina, podnosi se na obrascu koji je dat u Prilogu 20 i popunjava se na način propisan Prilogom 22.
Ako se u DCV unose podaci za robu svrstanu u više od tri tarifna stava Carinske tarife, podnosi se određen broj dodatnih listova (u daljem tekstu: DCV BIS) potrebnih da se obuhvate svi tarifni stavovi, koji su sadržani u JCI.
DCV BIS podnosi se na obrascu koji je dat u Prilogu 21.
Obrasci DCV i DCV BIS su dimenzija 210 x 297 mm, sa odstupanjem koje ne može biti manje od 5 mm, niti veće od 8 mm.
Obrasci iz stava 4. ovog člana štampaju se na samokopirajućem papiru mase najmanje 40 g/m2 i ne smeju da sadrži celulozu. Papir mora biti neproziran, tako da podaci na jednoj strani ne utiču na čitkost podataka na drugoj strani, a čvrstoća papira mora biti takva da se prilikom korišćenja ne može lako pocepati ili izgužvati.
Obrasci iz stava 4. ovog člana moraju da sadrže naziv i adresu štampara ili oznaku koja omogućuje njegovo identifikovanje.
Spisak pošiljke (u daljem tekstu: SP), koji se koristi kao opisni deo JCI za tranzit robe i čini njen sastavni deo, podnosi se na obrascu koji je dat u Prilogu 23, osim u slučaju tranzita robe navedene u Prilogu 8. Odeljak IX.
Ako se uz JCI za tranzit robe podnosi SP ne mora se podneti JCI BIS.
Obrazac SP popunjava se na način propisan za popunjavanje rubrika SP iz Priloga 24.
Obrazac SP je dimenzija 210 x 297 mm, sa odstupanjem koje ne može biti manje od 5 mm, niti veće od 8 mm.
Obrazac SP se štampa na samokopirajućem papiru mase najmanje 40 g/m2 i ne sme da sadrži celulozu. Papir mora biti neproziran, tako da podaci na jednoj strani ne utiču na čitkost podataka na drugoj strani, a čvrstoća papira mora biti takva da se prilikom korišćenja ne može lako pocepati ili izgužvati.
Obrazac SP mora da sadrži naziv i adresu štampara ili oznaku koja omogućuje njegovo identifikovanje.
Obrazac SP popunjava se pisaćom mašinom, štampačem ili ručno, u kom slučaju se podaci upisuju čitkim štampanim slovima hemijskom olovkom. Podaci se ne smeju precrtavati ili ispravljati.
Obrazac SP podnosi se u istom broju primeraka, kao i obrazac na koji se odnosi, a najmanje u tri primerka.
Obrazac SP ima isti broj kao i JCI za tranzit robe na koju se odnosi. Upisivanje broja overava ovlašćeni carinski službenik potpisom i otiskom službenog pečata.
VII ZAHTEV I ODOBRENJE ZA POSEBNE POSTUPKE
Zahtev za izdavanje odobrenja za posebne postupke podnosi se na obrascu koji je dat u Prilogu 25 i popunjava na način propisan Prilogom 26.
Odobrenje za posebne postupke izdaje se na obrascu koji je dat u Prilogu 25.
VIII KORIŠĆENJE SETA OBRASCA DEKLARACIJE ZA PRIVREMENI SMEŠTAJ
Deklaracijom za privremeni smeštaj (u daljem tekstu: sažeta deklaracija), iz člana 128. Carinskog zakona, obaveštava se carinski organ da je roba na dan prijavljivanja u privremenom smeštaju. Sažeta deklaracija podnosi se na obrascu koji je dat u Prilogu 27 i popunjava se na način propisan Prilogom 19.
Obrazac sažete deklaracije je dimenzija 210 x 297 mm, sa odstupanjem koje ne može biti manje od 5 mm, niti veće od 8 mm.
Obrazac sažete deklaracije štampa se na samokopirajućem papiru mase najmanje 40 g/m2 i ne sme da sadrži celulozu. Papir mora biti neproziran, tako da podaci na jednoj strani ne utiču na čitkost podataka na drugoj strani, a čvrstoća papira mora biti takva da se prilikom korišćenja ne može lako pocepati ili izgužvati.
Obrazac sažete deklaracije mora da sadrži naziv i adresu štampara ili oznaku koja omogućuje njegovo identifikovanje.
Set obrasca sažete deklaracije sastoji se od tri lista. Listovi su označeni i namenjeni su:
- list sa brojem 1, odštampan crvenom bojom - carinarnici,
- list sa brojem 2, odštampan zelenom bojom - podnosiocu deklaracije i
- list sa brojem 3, odštampan plavom bojom - licu koje upravlja prostorom za privremeni smeštaj robe.
List sa brojem 3 podnosi se samo ako se roba u toku privremenog smeštaja istovaruje sa prevoznog sredstva u prostor za privremeni smeštaj robe.
Rubrike sažete deklaracije obeležene su brojevima i slovima. Rubrike obeležene brojevima popunjava podnosilac deklaracije, a rubrike obeležene slovima - nadležna carinarnica.
Sažeta deklaracija se popunjava pisaćom mašinom, štampačem ili ručno u kom slučaju se podaci upisuju čitkim štampanim slovima hemijskom olovkom. Podaci se ne smeju precrtavati ili ispravljati.
Šifre koje se upisuju u pojedine rubrike navedene su u Kodeksu šifara koji je dat u Prilogu 8.
Prilozi 1-28 odštampani su uz ovaj pravilnik i čine njegov sastavni deo.
Danom početka primene ovog pravilnika prestaje da važi Pravilnik o obliku, sadržini, načinu podnošenja i popunjavanja deklaracije i drugih obrazaca u carinskom postupku ("Službeni glasnik RS", br. 7/15, 45/15, 56/15, 88/15, 33/16, 73/16, 79/16, 8/17, 46/17, 69/17, 83/17, 96/17, 117/17, 44/18, 60/18, 69/18, 86/18, 3/19 i 30/19), osim obrazaca odštampanih u skladu sa tim pravilnikom, koji mogu da se koriste šest meseci od dana početka primene ovog pravilnika.
Ovaj pravilnik stupa na snagu narednog dana od dana objavljivanja u "Službenom glasniku Republike Srbije", a primenjuje se od 17. juna 2019. godine.
Samostalni član Pravilnika o dopuni
Pravilnika o obliku, sadržini, načinu podnošenja i popunjavanja deklaracija i drugih obrazaca
u carinskom postupku
("Sl. glasnik RS", br. 51/2019)
Član 2
Ovaj pravilnik stupa na snagu osmog dana od dana objavljivanja u "Službenom glasniku Republike Srbije".
Samostalni član Pravilnika o izmeni i dopuni
Pravilnika o obliku, sadržini, načinu podnošenja i popunjavanja deklaracija i drugih obrazaca
u carinskom postupku
("Sl. glasnik RS", br. 58/2019)
Član 3
Ovaj pravilnik stupa na snagu narednog dana od dana objavljivanja u "Službenom glasniku Republike Srbije".
Samostalni član Pravilnika o izmeni
Pravilnika o obliku, sadržini, načinu podnošenja i popunjavanja deklaracija i drugih obrazaca
u carinskom postupku
("Sl. glasnik RS", br. 65/2019)
Član 2
Ovaj pravilnik stupa na snagu osmog dana od dana objavljivanja u "Službenom glasniku Republike Srbije".
Samostalni član Pravilnika o izmenama i dopunama
Pravilnika o obliku, sadržini, načinu podnošenja i popunjavanja deklaracija i drugih obrazaca
u carinskom postupku
("Sl. glasnik RS", br. 74/2019)
Član 2
Ovaj pravilnik stupa na snagu narednog dana od dana objavljivanja u "Službenom glasniku Republike Srbije".
Samostalni član Pravilnika o izmenama i dopunama
Pravilnika o obliku, sadržini, načinu podnošenja i popunjavanja deklaracija i drugih obrazaca u carinskom postupku
("Sl. glasnik RS", br. 126/2020)
Član 2
Ovaj pravilnik stupa na snagu osmog dana od dana objavljivanja u "Službenom glasniku Republike Srbije".
Samostalni član Pravilnika o izmenama i dopunama
Pravilnika o obliku, sadržini, načinu podnošenja i popunjavanja deklaracija i drugih obrazaca u carinskom postupku
("Sl. glasnik RS", br. 49/2021)
Član 2
Ovaj pravilnik stupa na snagu narednog dana od dana objavljivanja u "Službenom glasniku Republike Srbije".
Samostalni član Pravilnika o izmeni
Pravilnika o obliku, sadržini, načinu podnošenja i popunjavanja deklaracija i drugih obrazaca u carinskom postupku
("Sl. glasnik RS", br. 66/2021)
Član 2
Ovaj pravilnik stupa na snagu osmog dana od dana objavljivanja u "Službenom glasniku Republike Srbije", a primenjuje se od 10. jula 2021. godine.
Samostalni član Pravilnika o izmeni i dopuni
Pravilnika o obliku, sadržini, načinu podnošenja i popunjavanja deklaracija i drugih obrazaca u carinskom postupku
("Sl. glasnik RS", br. 80/2021)
Član 2
Ovaj pravilnik stupa na snagu osmog dana od dana objavljivanja u "Službenom glasniku Republike Srbije".
Samostalni član Pravilnika o dopuni
Pravilnika o obliku, sadržini, načinu podnošenja i popunjavanja deklaracija i drugih obrazaca u carinskom postupku
("Sl. glasnik RS", br. 42/2022)
Član 2
Ovaj pravilnik stupa na snagu narednog dana od dana objavljivanja u "Službenom glasniku Republike Srbije".
Samostalni član Pravilnika o izmenama i dopunama
Pravilnika o obliku, sadržini, načinu podnošenja i popunjavanja deklaracija i drugih obrazaca u carinskom postupku
("Sl. glasnik RS", br. 90/2022)
Član 7
Ovaj pravilnik stupa na snagu osmog dana od dana objavljivanja u "Službenom glasniku Republike Srbije".
Samostalni član Pravilnika o izmenama
Pravilnika o obliku, sadržini, načinu podnošenja i popunjavanja deklaracija i drugih obrazaca u carinskom postupku
("Sl. glasnik RS", br. 143/2022)
Član 2
Ovaj pravilnik stupa na snagu narednog dana od dana objavljivanja u "Službenom glasniku Republike Srbije", a primenjuje se od 1. januara 2023. godine.
Samostalni član Pravilnika o izmenama i dopunama
Pravilnika o obliku, sadržini, načinu podnošenja i popunjavanja deklaracija i drugih obrazaca u carinskom postupku
("Sl. glasnik RS", br. 25/2023)
Član 3
Ovaj pravilnik stupa na snagu osmog dana od dana objavljivanja u "Službenom glasniku Republike Srbije".
Samostalni član Pravilnika o izmenama i dopunama
Pravilnika o obliku, sadržini, načinu podnošenja i popunjavanja deklaracija i drugih obrazaca u carinskom postupku
("Sl. glasnik RS", br. 6/2024)
Član 3
Ovaj pravilnik stupa na snagu narednog dana od dana objavljivanja u "Službenom glasniku Republike Srbije", a primenjuje se od 28. januara 2024. godine, osim odredaba u delu koji se odnosi na grupu podataka 18 09 000 000 iz Priloga 9. ovog pravilnika i šifre robe za grupu podataka 18 09 000 000 iz Priloga 10. ovog pravilnika, koje se primenjuju od 1. jula 2024. godine.
Samostalni član Pravilnika o dopunama
Pravilnika o obliku, sadržini, načinu podnošenja i popunjavanja deklaracija i drugih obrazaca u carinskom postupku
("Sl. glasnik RS", br. 50/2024)
Član 2
Ovaj pravilnik stupa na snagu osmog dana od dana objavljivanja u "Službenom glasniku Republike Srbije", a primenjuje se od 1. jula 2024. godine.
Samostalni član Pravilnika o izmenema i dopunama
Pravilnika o obliku, sadržini, načinu podnošenja i popunjavanja deklaracija i drugih obrazaca u carinskom postupku
("Sl. glasnik RS", br. 76/2024)
Član 2
Ovaj pravilnik stupa na snagu osmog dana od dana objavljivanja u "Službenom glasniku Republike Srbije".
Samostalni članovi Pravilnika o izmeni
Pravilnika o obliku, sadržini, načinu podnošenja i popunjavanja deklaracija i drugih obrazaca u carinskom postupku
("Sl. glasnik RS", br. 8/2025)
Član 2
Odredbe koje se odnose na grupu podataka 18 09 000 000 iz Priloga 9. i šifre robe za grupu podataka 18 09 000 000 iz Priloga 10. Pravilnika ne primenjuju se do 1. jula 2025. godine.
Član 3
Ovaj pravilnik stupa na snagu narednog dana od dana objavljivanja u "Službenom glasniku Republike Srbije".
Samostalni članovi Pravilnika o izmenama i dopunama
Pravilnika o obliku, sadržini, načinu podnošenja i popunjavanja deklaracija i drugih obrazaca u carinskom postupku
("Sl. glasnik RS", br. 42/2025)
Član 5
Odredbe koje se odnose na grupu podataka 18 09 000 000 iz Priloga 9. i šifre robe za grupu podataka 18 09 000 000 iz Priloga 10. Pravilnika ne primenjuju se do 1. jula 2025. godine.
Član 6
Ovaj pravilnik stupa na snagu osmog dana od dana objavljivanja u "Službenom glasniku Republike Srbije".
Samostalni član Pravilnika o dopunama
Pravilnika o obliku, sadržini, načinu podnošenja i popunjavanja deklaracija i drugih obrazaca u carinskom postupku
("Sl. glasnik RS", br. 44/2025)
Član 2
Ovaj pravilnik stupa na snagu osmog dana od dana objavljivanja u "Službenom glasniku Republike Srbije", a primenjuje se od 1. juna 2025. godine.
Samostalni članovi Pravilnika o izmeni
Pravilnika o obliku, sadržini, načinu podnošenja i popunjavanja deklaracija i drugih obrazaca u carinskom postupku
("Sl. glasnik RS", br. 52/2025)
Član 2
Odredbe koje se odnose na grupu podataka 18 09 000 000 iz Priloga 9. i šifre robe za grupu podataka 18 09 000 000 iz Priloga 10. Pravilnika ne primenjuju se do 1. jula 2026. godine.
Član 3
Ovaj pravilnik stupa na snagu narednog dana od dana objavljivanja u "Službenom glasniku Republike Srbije".
Samostalni član Pravilnika o dopuni
Pravilnika o obliku, sadržini, načinu podnošenja i popunjavanja deklaracija i drugih obrazaca u carinskom postupku
("Sl. glasnik RS", br. 68/2025)
Član 2
Ovaj pravilnik stupa na snagu osmog dana od dana objavljivanja u "Službenom glasniku Republike Srbije".
Samostalni član Pravilnika o dopunama
Pravilnika o obliku, sadržini, načinu podnošenja i popunjavanja deklaracija i drugih obrazaca u carinskom postupku
("Sl. glasnik RS", br. 70/2025)
Član 2
Ovaj pravilnik stupa na snagu osmog dana od dana objavljivanja u "Službenom glasniku Republike Srbije", a primenjuje se od 1. septembra 2025. godine.
Samostalni član Pravilnika o izmeni i dopuni
Pravilnika o obliku, sadržini, načinu podnošenja i popunjavanja deklaracija i drugih obrazaca u carinskom postupku
("Sl. glasnik RS", br. 14/2026)
Član 2
Ovaj pravilnik stupa na snagu osmog dana od dana objavljivanja u "Službenom glasniku Republike Srbije".
Samostalni član Pravilnika o izmenama i dopunama
Pravilnika o obliku, sadržini, načinu podnošenja i popunjavanja deklaracija i drugih obrazaca u carinskom postupku
("Sl. glasnik RS", br. 16/2026)
Član 2
Ovaj pravilnik stupa na snagu narednog dana od dana objavljivanja u "Službenom glasniku Republike Srbije".
Prilog 1: Jedinstvena carinska isprava (JCI)
Prilog 2: Dodatni obrazac JCI (JCI BIS)
Prilog 3: Obrazac JCI za štampanje iz kompjuterskog sistema
Prilog 4: Dodatni obrazac JCI za štampanje iz kompjuterskog sistema
Prilog 5: Popunjavanje jedinstvene carinske isprave
Prilog 6: Označavanje rubrika obrazaca iz priloga 1. i 2. koje moraju biti vidljive prilikom samokopiranja
Prilog 7: Označavanje rubrika obrazaca iz priloga 3. i 4. koje moraju biti vidljive prilikom samokopiranja
Prilog 8: Kodeks šifara za popunjavanje isprava u carinskom postupku
Prilog 9: Elektronska tranzitna deklaracija
Prilog 10: Dodatne šifre za novi kompjuterizovani tranzitni sistem
Prilog 11: Tranzitni prateći dokument
Prilog 12: Spisak naimenovanja
Prilog 13: Tranzitni/sigurnosni prateći dokument (TSPD)
Prilog 14: Tranzitni/sigurnosni spisak naimenovanja (TSSN)
Prilog 15: Rezervni postupak za postupak tranzita
Prilog 16: Ulazna i izlazna sažeta deklaracija
Prilog 17: Sigurnosni i bezbednosni dokument (SBD)
Prilog 18: Sigurnosni i bezbednosni spisak naimenovanja
Prilog 19: Način popunjavanja rubrika deklaracije za privremeni smeštaj
Prilog 20: Obrazac Deklaracije o carinskoj vrednosti (DCV)
Prilog 21: Dodatni obrazac Deklaracije o carinskoj vrednosti (DCV BIS)
Prilog 22: Korišćenje seta obrasca Deklaracije o carinskoj vrednosti
Prilog 23: Spisak pošiljke
Prilog 24: Način popunjavanja rubrika Spiska pošiljke
Prilog 25: Zahtev i odobrenje za posebne postupke
Prilog 26: Način popunjavanja Zahteva za izdavanje odobrenja za posebne postupke
Prilog 27: Sažeta deklaracija za privremeni smeštaj
Prilog 28: Obaveštenje o tranzitu
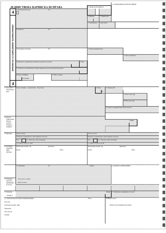
JEDINSTVENA CARINSKA ISPRAVA (JCI)




















OBRAZAC JCI ZA ŠTAMPANJE IZ KOMPJUTERSKOG SISTEMA





DODATNI OBRAZAC JCI ZA ŠTAMPANJE IZ KOMPJUTERSKOG SISTEMA




POPUNJAVANJE JEDINSTVENE CARINSKE ISPRAVE
I. Način popunjavanja rubrika JCI
Rubrike JCI i JCI BIS popunjavaju se pisaćom mašinom ili štampačem, osim za deklaracije iz člana 4a ovog pravilnika. Podaci u JCI i JCI BIS ne smeju se precrtavati ili ispravljati.
Radi pravilnog popunjavanja pisaćom mašinom ili štampačem, JCI i JCI BIS treba da bude podešena tako da prvo slovo podataka koji treba da se unesu u rubriku 2 bude otkucano u kvadratiću u gornjem levom uglu.
Rubrike označene brojem popunjava deklarant/zastupnik na način propisan za traženi carinski postupak, odnosno upotrebu ili korišćenje robe.
Rubrike koje su označene velikim slovima, popunjava carinarnica.
Šifre koje se upisuju u pojedine rubrike date su u Kodeksu šifara za popunjavanje isprava u carinskom postupku (u daljem tekstu: Kodeks šifara), (Prilog 8).
II. Način popunjavanja rubrika JCI za tranzit robe
U JCI za tranzit robe popunjavaju se rubrike označene brojevima 1, 2, 3, 4, 5, 6, 7, 8, 14, 15, 18, 19, 22, 25, 31, 32, 33, 35, 40, 42, 44, 49, 50, 52, 53, 54, 55 i 56, i to na sledeći način.
Rubrika 1 (Deklaracija), sastoji se od tri podele: Prva i druga podela ne popunjavaju se.
U treću podelu upisuje se jedna od sledećih šifara:
NT = za nacionalni postupak tranzita,
NTTIR = šifra se koristi kada se karnet TIR koristi kao tranzitna deklaracija,
NTCIM = šifra se koristi kada se CIM tovarni list koristi kao tranzitna deklaracija,
NTATA = šifra se koristi kada se karnet ATA koristi kao tranzitna deklaracija.
Rubrika 2 (Pošiljalac/Izvoznik) popunjava se samo ako pošiljalac robe ima sedište, odnosno prebivalište ili boravište na carinskom području. U tom slučaju rubrika se popunjava tako što se upisuju:
- u prvi red (gornji desni ugao) - poreski identifikacioni broj (u daljem tekstu: PIB) pošiljaoca robe. Ako lice nema PIB, upisuje se odgovarajuća šifra iz Kodeksa šifara;
- u drugi red - naziv pošiljaoca robe;
- u treći red - sedište, odnosno prebivalište ili boravište i adresa pošiljaoca robe.
U rubriku 3 (Obrasci), koja se sastoji od dve podele, upisuju se podaci o broju obrazaca.
U prvu podelu se upisuje redni broj obrasca, a u drugu podelu ukupan broj obrazaca.
U rubriku 4 (Tovarni list) upisuje se ukupan broj prevoznih isprava.
U rubriku 5 (Naimenovanja) dužine tri mesta, upisuje se ukupan broj naimenovanja u JCI i JCI BIS.
U rubriku 6 (Broj paketa) upisuje se ukupan broj koleta koja se prijavljuju po ispravi bez navođenja njihove vrste. Ako je pošiljka u rasutom stanju, ova rubrika se ne popunjava.
U rubriku 7 (Referentni broj) deklarant/zastupnik može upisati identifikacione podatke o pošiljci.
Rubrika 8 (Primalac) popunjava se tako što se upisuju:
- prvi red (gornji desni ugao) - PIB primaoca robe. Ako primalac robe nema PIB, upisuje se odgovarajuća šifra iz Kodeksa šifara;
- drugi red - naziv primaoca robe;
- treći red - sedište, odnosno prebivalište ili boravište i adresa primaoca robe, šifra države, odnosno carinske teritorije iz Kodeksa šifara.
Ako se uz JCI za tranzit robe prilaže spisak pošiljke iz Priloga 23. ovog pravilnika, ova rubrika se dijagonalno precrtava.
Rubrika 9 (Lice odgovorno za finansijsko poravnanje), ne popunjava se.
Rubrika 10 (Zemlja slanja/odredišta), ne popunjava se.
Rubrika 11 (Zemlja trgovca/proizvođača), ne popunjava se.
Rubrika 12 (Podaci o vrednosti), ne popunjava se.
Rubrika 13 (ZPP - Zajednička poljoprivredna politika), ne popunjava se.
Rubrika 14 (Deklarant/zastupnik) popunjava se tako što se upisuju:
- u prvi red (gornji desni ugao) - PIB deklaranta/zastupnika. Ako lice nema PIB upisuje se odgovarajuća šifra iz Kodeksa šifara;
- u drugi red - naziv deklaranta/zastupnika;
- u treći red - sedište, prebivalište, odnosno boravište i adresa deklaranta/zastupnika.
U slučaju zastupanja navode se podaci o obliku zastupanja, i to:
- u slučaju neposrednog zastupanja, ispred PIB upisuje se šifra: "N",
- u slučaju posrednog zastupanja, ispred PIB upisuje se šifra: "P".
Ako je deklarant istovremeno i primalac iz rubrike 8, u desni gornji ugao upisuje se njegov PIB, a umesto naziva deklaranta upisuje se: "PRIMALAC".
U rubriku 15 (Zemlja otpreme/izvoza) upisuje se naziv države, odnosno carinske teritorije iz koje je roba poslata.
Ako se uz JCI za tranzit robe prilaže spisak pošiljke iz Priloga 23. ovog pravilnika, ova rubrika se dijagonalno precrtava.
Rubrika 15a i 15b (Šifra zemlje otpreme/izvoza), u podelu a) ove rubrike upisuje se šifra države, odnosno carinske teritorije koja je upisana u rubriku 15, iz Kodeksa šifara.
Podela b) ne popunjava se. Ako se uz JCI za tranzit robe prilaže spisak pošiljke iz Priloga 23. ovog pravilnika, ova rubrika se dijagonalno precrtava.
Rubrika 16 (Zemlja porekla), ne popunjava se.
Rubrika 17 (Zemlja odredišta) ne popunjava se.
Rubrika 17a i 17b (Šifra zemlje odredišta), u podelu a) ove rubrike upisuje se šifra države, odnosno carinske teritorije konačnog odredišta robe, iz Kodeksa šifara.
Podela b) ne popunjava se.
U rubriku 18 (Identitet i nacionalnost prevoznog sredstva na polasku/u prispeću) upisuju se podaci o prevoznom sredstvu na koje je roba direktno natovarena. Ako je roba natovarena na teretnom vozilu, koje se prevozi od polazne do odredišne carinarnice na železničkom prevoznom sredstvu, unose se podaci o teretnom vozilu.
Za pošiljke u drumskom saobraćaju u prvu podelu se upisuju registarski broj vozila i prikolice, ako je vozilo ima. U drugu podelu se upisuje šifra države, odnosno carinske teritorije vozila iz Kodeksa šifara.
Za pošiljke u železničkom saobraćaju, u prvu podelu se upisuje broj vagona, a druga podela se ne popunjava.
Za pošiljke u rečnom saobraćaju u prvu podelu se upisuje ime plovila. U drugu podelu se upisuje šifra države, odnosno carinske teritorije iz Kodeksa šifara pod čijom zastavom plovilo plovi.
Za pošiljke u vazdušnom saobraćaju u prvu podelu se upisuju oznaka leta i datum odlaska.
U drugu podelu se upisuje šifra države, odnosno carinske teritorije iz Kodeksa šifara, u kojoj je vazduhoplov registrovan.
Za pošiljke u poštanskom saobraćaju i kod transporta robe dalekovodima, cevovodima i gasovodima, ova rubrika se ne popunjava.
U rubriku 19 (Kontejner) upisuje se jedna od šifara:
0 - ako roba nije u kontejneru;
1 - ako je roba u kontejneru.
Rubrika 20 (Uslovi isporuke), ne popunjava se.
Rubrika 21 (Identitet i nacionalnost aktivnog prevoznog sredstva koje prelazi granicu), ne popunjava se.
Rubrika 22 (Valuta i ukupan iznos iz fakture) popunjava se tako što se upisuje:
- u prvu podelu - šifra valute iz Kodeksa šifara;
- u drugu podelu - ukupan iznos iz fakture, zaokružen na dva decimalna mesta.
Vrednost upisana u ovu rubriku jednaka je zbiru vrednosti upisanih u rubriku 42, u svim naimenovanjima.
Rubrika 23 (Kurs valute), ne popunjava se.
Rubrika 24 (Vrsta posla), ne popunjava se.
U rubriku 25 (Vrsta saobraćaja na granici) upisuje se šifra vrste saobraćaja iz Kodeksa šifara kojoj pripada prevozno sredstvo navedeno u rubrici 18.
Rubrika 26 (Unutrašnja vrsta saobraćaja), ne popunjava se.
Rubrika 27 (Mesto utovara/istovara), ne popunjava se.
Rubrika 28 (Finansijski i bankarski podaci), ne popunjava se.
Rubrika 29 (Ulazna/izlazna carinarnica), ne popunjava se.
Rubrika 30 (Mesto robe), ne popunjava se.
U rubriku 31 (Pakovanje i naimenovanje robe, oznake i brojevi - kontejner broj - broj i vrsta) upisuje se:
- u prvi red, odvojeno kosim crtama - ukupan broj, vrsta i oznake koleta, odnosno druge odgovarajuće oznake koje omogućavaju identifikaciju pošiljke. Ako je roba u rasutom stanju, u ovaj red se upisuje reč: "rasuto".
Ako je roba u kontejneru, u ovaj red se upisuju njegove identifikacione oznake.
- u drugi i treći red - trgovački naziv robe.
Ako se prijavljuju zbirne (denčane) pošiljke, u drugi red ove rubrike upisuju se reči: "razna roba".
Ako se uz JCI za tranzit robe prilaže spisak pošiljke iz Priloga 23. ovog pravilnika, u ovu rubriku upisuje se: "ROBA PREMA PRILOŽENOM SPISKU POŠILJKE".
U rubriku 32 (Naimenovanje broj) upisuje se redni broj naimenovanja pod kojim se roba prijavljuje u JCI.
Rubrika 33 (Šifra robe) u prvu podelu, ako je navedena u Kodeksu šifara, upisuje se odgovarajuća šifra robe, dok se druga, treća, četvrta i peta podela ove rubrike ne popunjavaju.
Ako je u prethodno odobrenom carinskom postupku roba svrstana po Carinskoj tarifi, u prvu i drugu podelu ove rubrike upisuju se podaci iz prve i druge podele rubrike 33 prethodnog dokumenta (npr: JCI za izvoz robe i dr.). Treća, četvrta i peta podela ove rubrike ne popunjavaju se.
Ako se uz JCI za tranzit robe prilaže spisak pošiljke iz Priloga 23. ovog pravilnika, ova rubrika se dijagonalno precrtava.
U postupku tranzita derivata nafte na koje se prilikom uvoza i stavljanja u promet plaća akciza, a koji se prevoze u drumskom i železničkom saobraćaju, u prvu podelu upisuje se prvih osam cifara tarifne oznake Carinske tarife u koju se roba svrstava, a u drugu podelu upisuju se poslednje dve cifre te tarifne oznake i dve poslednje cifre odgovarajuće šifre za primenu propisa kojima se uređuje naplata akcize. U treću podelu upisuje se šifra propisane jedinice mere iz Kodeksa šifara. Ako ugovorena jedinica mere nije propisana i navedena u Kodeksu šifara, preračunava se u odgovarajuću propisanu jedinicu mere iz Kodeksa šifara, i upisuje se šifra preračunate jedinice mere. Četvrta i peta podela ne popunjavaju se.
U ostalim slučajevima ova rubrika se ne popunjava.
Rubrika 34 (Šifra zemlje porekla), ne popunjava se.
U rubriku 35 (Bruto masa u kg) upisuje se bruto masa robe u kilogramima, zaokružena na dva decimalna mesta.
Rubrika 36 (Povlastica), ne popunjava se.
Rubrika 37 (Postupak), ne popunjava se.
Rubrika 38 (Neto masa u kg)
Ako se uz JCI za tranzit robe prilaže spisak pošiljke iz Priloga 23. ovog pravilnika, ova rubrika se dijagonalno precrtava.
U ostalim slučajevima ova rubrika se ne popunjava.
Rubrika 39 (Kvota), ne popunjava se.
U rubriku 40 (Sažeta deklaracija ili prethodni dokument) upisuju se, odvojeno kosim crtama, šifra carinske ispostave, odnosno carinskog referata iz Kodeksa šifara, šifra vrste prethodne isprave iz Kodeksa šifara, broj prethodne isprave, godina prihvatanja prethodne isprave i redni broj naimenovanja robe ili MRN (Master Reference Number) i redni broj naimenovanja iz prethodne isprave po kojoj je roba bila prijavljena.
Rubrika 41 (Dopunska jedinica), ne popunjava se.
U rubriku 42 (Cena robe) upisuje se iznos u valuti iz prve podele rubrike 22 za robu prijavljenu u naimenovanju, zaokružen na dva decimalna mesta.
Rubrika 43 (MV - Metod vrednovanja), ne popunjava se.
U rubriku 44 (Dodatne informacije/Podnete isprave/ Potvrde i odobrenja) upisuju se podaci o vrsti i broju priloženih isprava i jedinstveni referentni broj (URN) koji odredi nadležni carinski organ susedne države, odnosno carinske teritorije.
Podaci, ako su određeni u Kodeksu šifara, upisuju se u šifarskom obliku, prema uputstvu za upis šifarskih podataka iz Kodeksa šifara, a ako nisu upisuju se rečima.
Ako se koriste obe vrste, prvo se navode šifarski, a zatim tekstualni podaci.
Za priložene isprave koje se odnose na sva naimenovanja JCI, šifre i podaci priloženih isprava unose se samo kod prvog naimenovanja.
Ako se uz JCI za tranzit robe prilaže spisak pošiljke iz Priloga 23. ovog pravilnika, ova rubrika se dijagonalno precrtava.
Ako u ovoj rubrici nema dovoljno mesta za upis šifarskih podataka, upisuje se reč: "specifikacija". U ovom slučaju uz JCI podnosi se specifikacija priloženih isprava, koja sadrži podatke propisane za popunjavanje rubrike 44.
Upisuju se, po potrebi, podaci o odobrenju i sertifikatu.
Rubrika 45 (Prilagođavanje), ne popunjava se.
Rubrika 46 (Statistička vrednost), ne popunjava se.
Rubrika 47 (Obračun dažbina), ne popunjava se.
Rubrika 48 (Odloženo plaćanje), ne popunjava se.
Rubrika 49 (Identifikacija skladišta) popunjava se samo ako je roba prethodno bila predmet postupka carinskog skladištenja, privremenog smeštaja, odnosno ako je bila smeštena u slobodnoj zoni.
U ovom slučaju se upisuju, odvojeno kosim crtama, šifra carinske ispostave, odnosno carinskog referata, šifra skladišta, privremenog smeštaja ili skladišta u slobodnoj zoni.
Rubrika 50 (Nosilac postupka) popunjava se tako što se upisuju:
- u prvi red - PIB lica koje je položilo obezbeđenje za plaćanje dažbina, ako bi nastao carinski dug;
- u drugi red - naziv lica;
- u treći red - adresa lica.
U preostali prostor upisuje se ime i prezime ovlašćenog lica, mesto, datum i potpis.
Rubrika 51 (Planirane tranzitne carinarnice (i zemlja)) ne popunjava se.
U rubriku 52 (Garancija/koja ne važi za) u prvu podelu, odvojeno kosim crtama, upisuje se šifra carinskog organa koji je prihvatio obezbeđenje, broj i godina obezbeđenja za naplatu carinskog duga.
U drugu podelu upisuje se šifra vrste obezbeđenja za naplatu carinskog duga iz Kodeksa šifara.
U rubriku 53 (Odredišna carinarnica (i zemlja)) upisuje se šifra odredišne carinarnice iz Kodeksa šifara.
U rubriku 54 (mesto i datum - potpis i ime deklaranta/ zastupnika) upisuju se mesto i datum podnošenja deklaracije i PIB deklaranta/zastupnika.
Ako je deklarant/zastupnik fizičko lice u ovu rubriku upisuje svoje ime i prezime i potpis.
Ako je deklarant/zastupnik pravno lice, u rubriku 54 se upisuje naziv i adresa firme, ime i prezime odgovornog lica u pravnom licu i svojeručni potpis.
Ako je deklarant/zastupnik carinski agent u ovu rubriku upisuje svoj identifikacioni broj i stavlja otisak ličnog pečata.
U slučaju elektronske razmene podataka, kao poslednji podatak u ovoj rubrici unosi se identifikacija podnete JCI. Identifikacija može imati najviše 20 znakova. Za identifikaciju koriste se slova "A, B, V, G, D, E, Z, I, J, K, L, M, N, O, P, R, S, T, U, F, H, S, Q, W, X, i Y", brojevi i znaci: " -,/".
Rubrika 55 (Pretovar) popunjava se samo u slučaju pretovara robe za vreme postupka tranzita na listovima 4 i 5. Podatke u rubrici F, posle pretovara, potvrđuje najbliža carinarnica.
Ova rubrika može biti popunjena ručno, u kom slučaju podaci moraju biti upisani hemijskom olovkom i velikim štampanim slovima.
U rubriku 56 (Druge nezgode za vreme prevoza/preduzete mere) upisuju se podaci o nepredviđenim okolnostima ili višoj sili nastaloj za vreme prevoza do odredišne carinarnice.
U ovu rubriku se upisuju i registarska oznaka i šifra države, odnosno carinske teritorije u kojoj je prevozno sredstvo, ako je zamenjeno, registrovano.
Ova rubrika može biti popunjena ručno, u kom slučaju podaci moraju biti upisani hemijskom olovkom i velikim štampanim slovima.
Rubrike JCI za tranzit robe, označene velikim slovima, popunjavaju se na sledeći način:
U rubriku A (Carinarnica otpreme/izvoza/odredišta) upisuje se:
- u prvi red - naziv carinske ispostave, odnosno carinskog referata kome se roba prijavljuje;
- u drugi red, odvojeno kosim crtama - šifra carinske ispostave, odnosno carinskog referata iz Kodeksa šifara, broj i datum prihvatanja JCI;
- u treći red, odvojeno kosim crtama - vreme podnošenja JCI i službeni broj ovlašćenog carinskog službenika;
- u četvrti red, u slučaju elektronske razmene podataka, u JCI BIS unosi se identifikacija podnete JCI iz rubrike 54 JCI.
U rubriku B (Detalji obračuna) upisuju se podaci koji nisu mogli da se unesu u druge rubrike, kao i procenjeni iznos uvoznih dažbina, ako za robu u postupku može nastati carinski dug.
U rubriku C (Polazna carinarnica) upisuje se:
- u prvi red - naziv odredišne carinske ispostave, odnosno carinskog referata kome je roba predata;
- u drugi red, odvojeno kosim crtama, šifra odredišne carinske ispostave, odnosno carinskog referata iz Kodeksa šifara, datum i vreme predaje robe;
- u treći red - službeni broj ovlašćenog carinskog službenika odredišne carinske ispostave, odnosno carinskog referata koji je primio JCI.
U gornji desni ugao ove rubrike stavlja se otisak službenog pečata odredišne carinarnice.
U rubriku D/J (Kontrola polazne i odredišne carinarnice) upisuju se:
- u prvi red (Rezultat) podaci o izvršenom pregledu robe, odnosno priloženih isprava, a ako pregled nije izvršen, prvi red se ne popunjava;
- u drugi red (Stavljene plombe: Broj) ukupan broj stavljenih carinskih obeležja;
- u treći red (Identitet) podaci o vrstama i oznakama stavljenih carinskih obeležja;
- u četvrti red (Rok (datum) datum i vreme kada je roba puštena i, odvojeno kosom crtom, datum kao rok predaje robe odredišnoj carinarnici;
- u peti red (Potpis) identifikacioni brojevi ovlašćenih carinskih službenika koji su izvršili pregled robe, odnosno priloženih isprava, u gornjem desnom uglu rubrike (Pečat) otisak službenog pečata carinske ispostave, odnosno carinskog referata.
U rubriku E/J (Kontrola carinarnice otpreme/izvoza/ odredišta) upisuju se podaci koji zbog nedostatka prostora nisu mogli stati u rubriku D/J.
U rubriku G (Potvrda nadležnih organa) upisuju se brojevi izdatih sanitarnih, zdravstvenih, sanitarno veterinarskih i fitosanitarnih odobrenja, odnosno uverenja.
Rubrika I (Kontrola odredišne carinarnice), ne popunjava se.
Rubrika H (Naknadna kontrola), ne popunjava se.
III. Način popunjavanja rubrika JCI za izvoz, ponovni izvoz, privremeni izvoz robe i pasivno oplemenjivanje
U JCI za izvoz, ponovni izvoz, privremeni izvoz i pasivno oplemenjivanje popunjavaju se rubrike označene brojevima 1, 2, 3, 5, 6, 7, 8, 14, 17a, 18, 19, 20, 22, 23, 24, 25, 31, 32, 33, 35, 36, 37, 38, 40, 41, 42, 43, 44, 46, 47, 48, 49 i 54.
U JCI kojom se roba istovremeno deklariše za postupak izvoza i postupak tranzita, pored rubrika navedenih u stavu 1. ovog člana, popunjavaju se i rubrike 15, 50, 52, 53, 55 i 56 na način naveden u delu II ovog priloga.
U slučaju podnošenja pojednostavljene deklaracije iz člana 145. Carinskog zakona, za izvoz robe popunjavaju se rubrike označene brojevima: 1, 2, 14, 17a, 31, 33, 38, 44 i 54, a mogu se popuniti, ako je to potrebno, i druge rubrike.
Rubrike JCI popunjavaju se na sledeći način:
Rubrika 1 (Deklaracija), u prvu podelu ove rubrike upisuje se: "IZ".
U drugu podelu ove rubrike upisuje se jedna od sledećih šifara:
1 - za izvoz robe,
2 - za privremeni izvoz robe i pasivno oplemenjivanje,
3 - za ponovni izvoz robe.
Treća podela ne popunjava se, osim ako se podnosi pojednostavljena JCI za pojednostavljeni carinski postupak na osnovu fakture iz člana 231. Uredbe - oznaka: "PF", ako se podnosi pojednostavljena JCI iz člana 145, carinskog zakona - oznaka: "NP", a ako se podnosi dopunska JCI - oznaka: "FP".
Ako se podnosi JCI u pojednostavljenom postupku izvoza robe koja se nalazi u prostoru pošiljaoca, u treću podelu upisuje se oznaka: "KC".
Rubrika 2 (Pošiljalac/Izvoznik) popunjava se tako što se upisuju:
- u prvi red (gornji desni ugao) - PIB pošiljaoca, odnosno izvoznika robe. Ako lice nema PIB upisuje se odgovarajuća šifra iz Kodeksa šifara.
- u drugi red - naziv pošiljaoca, odnosno izvoznika robe;
- u treći red - sedište, odnosno prebivalište, odnosno boravište i adresa pošiljaoca, odnosno izvoznika robe.
Izvoznik je lice iz člana 2. stav 1. tačka 20) Uredbe, uključujući i lice poslovno nastanjeno u carinskom području Republike Srbije, koje je vlasnik robe naveden u rubrici 44, ovlastio za iznošenje robe iz carinskog područja Republike Srbije.
Izuzetno, izvoznik je i lice poslovno nastanjeno na carinskom području Republike Srbije koje je nosilac odgovarajuće isprave za robu koju je izdao nadležni organ u skladu sa propisima, koju je neophodno priložiti prilikom podnošenja deklaracije.
U rubriku 3 (Obrasci) koja se sastoji od dve podele, upisuju se podaci o broju obrazaca.
U prvu podelu upisuje se redni broj obrasca, a u drugu podelu - ukupan broj obrazaca.
Ako se uz JCI ne podnosi dodatni list na obrascu JCI BIS, ova rubrika se ne popunjava.
Rubrika 4 (Tovarni list), ne popunjava se.
U rubriku 5 (Naimenovanja), dužine tri mesta, upisuje se ukupan broj naimenovanja u JCI i JCI BIS.
U rubriku 6 (Broj paketa) upisuje se ukupan broj koleta koja se prijavljuju po ispravi, bez navođenja njihove vrste. Ako je pošiljka u rasutom stanju, ova rubrika se ne popunjava.
U rubriku 7 (Referentni broj) upisuju se identifikacioni podaci o pošiljci.
Ako se razlikuje od datuma prihvatanja JCI, u ovu rubriku se posle identifikacionih podataka o pošiljci, odvojeno kosom crtom, upisuje datum za primenu propisa za utvrđivanje iznosa izvoznih dažbina.
Rubrika 8 (Primalac) popunjava se tako što se upisuju:
- u drugi red - naziv, odnosno ime i prezime primaoca robe;
- u treći red - sedište i adresa primaoca robe i, odvojeno kosom crtom, šifra države, odnosno carinske teritorije iz Kodeksa šifara, u kojoj se nalazi sedište.
Rubrika 9 (Lice odgovorno za finansijsko poravnanje), ne popunjava se.
Rubrika 10 (Zemlja slanja/odredišta), ne popunjava se.
Rubrika 11 (Zemlja trgovca/proizvođača), ne popunjava se.
Rubrika 12 (Podaci o vrednosti), ne popunjava se.
Rubrika 13 (ZPP - Zajednička poljoprivredna politika), ne popunjava se.
Rubrika 14 (Deklarant/zastupnik) popunjava se tako što se upisuju:
- u prvi red (gornji desni ugao) - PIB deklaranta/zastupnika. Ako lice nema PIB upisuje se odgovarajuća šifra iz Kodeksa šifara.
- u drugi red - naziv deklaranta/zastupnika;
- u treći red - sedište, prebivalište, odnosno boravište i adresa deklaranta/zastupnika.
U slučaju zastupanja navode se podaci o obliku zastupanja, i to:
- u slučaju neposrednog zastupanja, ispred PIB upisuje se šifra: "N",
- u slučaju posrednog zastupanja, ispred PIB upisuje se šifra: "P".
Ako je deklarant istovremeno i izvoznik/pošiljalac iz rubrike 2, u desni gornji ugao upisuje se njegov PIB a umesto naziva deklaranta upisuje se: "POŠILJALAC"/"IZVOZNIK".
Rubrika 15 (Zemlja otpreme/izvoza), ne popunjava se.
Rubrika 15a i 15b (Šifra zemlje otpreme/izvoza), ne popunjava se.
Rubrika 16 (Zemlja porekla), ne popunjava se.
Rubrika 17 (Zemlja odredišta) ne popunjava se.
Rubrika 17a i 17b (Šifra zemlje odredišta) u podelu a) upisuje se šifra države, odnosno carinske teritorije konačnog odredišta robe, iz Kodeksa šifara.
Podela b) se ne popunjava.
U rubriku 18 (Identitet i nacionalnost prevoznog sredstva na polasku/u prispeću) upisuju se podaci o prevoznom sredstvu na koje je roba direktno natovarena. Ako je roba natovarena na teretnom vozilu, koje se prevozi od polazne do odredišne carinarnice na železničkom prevoznom sredstvu, upisuju se podaci o teretnom vozilu. Ako je roba u skladištu, rubrika 18 ne popunjava se, već se popunjava rubrika 49.
Za pošiljke u drumskom saobraćaju u prvu podelu upisuju se registarski broj vozila i prikolice, ako je vozilo ima. U drugu podelu upisuje se šifra države, odnosno carinske teritorije u kojoj je vozilo registrovano iz Kodeksa šifara.
Za pošiljke u železničkom saobraćaju, u prvu podelu upisuje se broj vagona, a druga podela se ne popunjava.
Za pošiljke u rečnom saobraćaju u prvu podelu upisuje se ime plovila. U drugu podelu upisuje se šifra države, odnosno carinske teritorije iz Kodeksa šifara pod čijom zastavom plovilo plovi.
Za pošiljke u vazdušnom saobraćaju u prvu podelu upisuju se oznaka leta i datum odlaska.
U drugu podelu se upisuje šifra države, odnosno carinske teritorije iz Kodeksa šifara, u kojoj je vazduhoplov registrovan.
Za pošiljke u poštanskom saobraćaju i kod transporta robe dalekovodima, cevovodima, i gasovodima, ova rubrika se ne popunjava.
Ako se po jednoj JCI sprovodi postupak sa robom koja je utovarena u više prevoznih sredstava (kamiona, vagona, šlepova i dr.), u ovu rubriku upisuje se reč: "specifikacija", a uz JCI se podnosi specifikacija prevoznih sredstava, navođenjem njihovih registarskih oznaka i naznačavanjem koja se roba nalazi u pojedinom prevoznom sredstvu.
U rubriku 19 (Kontejner) upisuje se jedna od šifara:
0 - ako roba nije u kontejneru;
1 - ako je roba u kontejneru.
Rubrika 20 (Uslovi isporuke) popunjava se tako što se upisuje:
- u prvu podelu - šifra pariteta isporuke iz Kodeksa šifara;
- u drugu podelu - mesto pariteta isporuke;
- u treću podelu - šifra mesta pariteta isporuke iz Kodeksa šifara.
Rubrika 21 (Identitet i nacionalnost aktivnog prevoznog sredstva koje prelazi granicu), ne popunjava se.
Rubrika 22 (Valuta i ukupan iznos iz fakture) popunjava se tako što se upisuje:
- u prvu podelu - šifra valute iz Kodeksa šifara;
- u drugu podelu - ukupan iznos iz fakture koji se naplaćuje od stranog kupca, zaokružen na dva decimalna mesta.
U deklaraciji za privremeni izvoz, odnosno pasivno oplemenjivanje, u drugu podelu upisuje se vrednost robe, bez obzira što faktura neće biti plaćena.
U deklaraciji za ponovni izvoz robe uvezene radi aktivnog oplemenjivanja, u drugu podelu upisuje se ukupan iznos iz fakture koji se naplaćuje od stranog lica, zaokružen na dva decimalna mesta, a kada se roba direktno isporučuje trećem licu, po nalogu vlasnika robe, upisuje se ukupan iznos iz fakture, odnosno proforma fakture vlasnika robe prema tom trećem licu.
Ako se pri izvozu naplaćuju dažbine, u drugu podelu se upisuje ukupan iznos iz fakture bez oduzetih popusta u valuti iz prve podele, zaokružen na dva decimalna mesta.
Vrednost upisana u ovu rubriku jednaka je zbiru vrednosti upisanih u rubriku 42, u svim naimenovanjima.
U rubriku 23 (Kurs valute) upisuje se zvanični kurs dinara za stranu valutu iz prve podele rubrike 22, koji važi na dan utvrđivanja iznosa izvoznih dažbina.
Ako je roba bila izvezena po pojednostavljenom postupku prilikom podnošenja dopunske carinske deklaracije upisuje se kurs, koji je važio na dan prihvatanja pojednostavljene deklaracije.
Ako je roba bila izvezena po pojednostavljenom postupku, a iskazana je u fakturi u različitim valutama ili je prilikom nastanka duga za robu važio različit kurs, za svaku valutu podnosi se posebna dopunska deklaracija.
Rubrika 24 (Vrsta posla) popunjava se tako što se upisuje:
- u prvu podelu - šifra vrste posla iz kolone A Kodeksa šifara;
- u drugu podelu - šifra vrste posla iz kolone B Kodeksa šifara.
U rubriku 25 (Vrsta saobraćaja na granici) upisuje se šifra vrste prevoznog sredstva iz Kodeksa šifara, kojim roba napušta carinsko područje.
Rubrika 26 (Unutrašnja vrsta saobraćaja), ne popunjava se.
Rubrika 27 (Mesto utovara/istovara), ne popunjava se.
Rubrika 28 (Finansijski i bankarski podaci), ne popunjava se.
Rubrika 29 (Izlazna/ulazna carinarnica), ne popunjava se.
Rubrika 30 (Mesto robe), ne popunjava se.
U rubriku 31 (Pakovanje i naimenovanje robe, oznake i brojevi - kontejner broj - broj i vrsta)
- u prvi red, odvojeno kosim crtama, upisuje se ukupan broj, vrsta i oznake koleta.
Ako se zbog nedostatka prostora u prvi red ne mogu upisati sve oznake koleta, upisuje se reč: "specifikacija", a uz JCI se prilaže specifikacija oznaka koleta.
Ako se po JCI carini roba iz više naimenovanja upakovana u jedno koleto, podaci o tom koletu upisuju se u ovu rubriku kod prvog naimenovanja, dok se kod ostalih naimenovanja robe koja se nalazi u tom koletu prvi red ove rubrike ne popunjava.
- u drugi i ostale redove ove rubrike upisuje se naimenovanje robe iz Carinske tarife i, odvojeno kosom crtom, uobičajeni trgovački naziv robe, kao i podaci potrebni za identifikaciju i svrstavanje robe po drugim tarifama i propisima koji se primenjuju pri izvozu robe.
- Ako šifra robe u rubrici 33 zavisi od veličine, mase ili drugih fizičkih kriterijuma (parametara), naimenovanje treba da sadrži te podatke.
Izuzetno, od stava 2. ove rubrike naimenovanje robe popunjava se na sledeći način:
- ako se privremeno izvozi ili ponovno izvozi privremeno uvezena roba radi izlaganja na međunarodnim sajmovima, izložbama ili drugim priredbama, odnosno štand - materijal koji je bio namenjen uređenju sajamskih prostorija, upisuje se: "sajamska roba", odnosno: "izložbena roba", odnosno: "štand - materijal";
- ako se privremeno izvozi ili ponovno izvozi privremeno uvezeni alat, sitan inventar, radio oprema i televizijska oprema, upisuje se: "alat i sitan inventar", "radio i TV oprema";
- ako se izvozi roba za besplatnu raspodelu, odnosno za potrošnju na međunarodnim sajmovima, izložbama i drugim priredbama, upisuje se: "potrošni materijal";
- ako se izvozi domaća roba, osim goriva i maziva, koja je prodata radi snabdevanja prevoznih sredstava u međunarodnom saobraćaju, upisuje se: "snabdevanje prevoznih sredstava u međunarodnom saobraćaju";
- ako se izvoze delovi predmeta naoružanja i vojne opreme upisuje se: "delovi predmeta naoružanja i vojne opreme";
- ako se izvoze selidbene stvari fizičkih lica koja se iseljavaju iz Republike Srbije upisuje se: "selidbene stvari", a ispod toga: "specifikacija";
U rubriku 32 (Naimenovanje broj) upisuje se redni broj naimenovanja pod kojim se roba prijavljuje u JCI.
Rubrika 33 (Šifra robe) popunjava se tako što se upisuje:
- u prvu podelu prvih osam cifara tarifne oznake Carinske tarife u koji se roba svrstava;
- u drugu podelu upisuju se poslednje dve cifre te tarifne oznake i dve nule.
Ako se prilikom sprovođenja carinskog postupka primenjuju posebni spoljnotrgovinski, carinski, poreski, zdravstveni, sanitarni i drugi propisi, u drugu podelu ove rubrike, kao poslednje dve cifre upisuju se, umesto dve nule, dve poslednje cifre odgovarajuće šifre iz propisa čija se primena traži.
Ako se privremeno izvozi ili ponovno izvozi privremeno uvezena roba koja je bila izložena na međunarodnim sajmovima, izložbama ili drugim priredbama, odnosno štand - materijal koji je bio namenjen uređenju sajamskih prostorija, u prvu i drugu podelu ove rubrike upisuje se šifra: "44500000 0101".
Ako se privremeno izvozi ili ponovno izvozi privremeno uvezen alat, sitan inventar, radio oprema ili televizijska oprema, u prvu i drugu podelu upisuje se šifra: "82500000 0102".
Ako se izvozi roba za besplatnu raspodelu, odnosno potrošnju na međunarodnim sajmovima, izložbama, trgovačkim i drugim priredbama, u prvu i drugu podelu upisuje se šifra: "22500000 0104".
Ako se izvozi domaća roba, osim goriva i maziva, koja je prodata radi snabdevanja prevoznih sredstava u međunarodnom saobraćaju, upisuje se šifra: "21500000 0105".
Ako se izvoze selidbene stvari fizičkih lica koja se iseljavaju iz Srbije, u prvu i drugu podelu upisuje se šifra: "94500000 0201".
U treću podelu upisuje se šifra propisane jedinice mere iz Kodeksa šifara. Ako ugovorena jedinica mere nije propisana i navedena u Kodeksu šifara, preračunava se u odgovarajuću propisanu jedinicu mere iz Kodeksa šifara i u treću podelu upisuje se šifra preračunate jedinice mere.
Ako se ponovno izvozi istovrsna roba nedeljiva po količini, a koja je bila stavljena u više prethodnih postupaka, u treću podelu ove rubrike, kod prvog naimenovanja robe, upisuju se podaci o jedinici mere, a kod ostalih naimenovanja šifra: XX.
U četvrtu podelu upisuje se šifra oblika izvoza iz Kodeksa šifara.
Peta podela ove rubrike ne popunjava se.
Rubrika 34 (Šifra zemlje porekla), ne popunjava se.
U rubriku 35 (Bruto masa u kg) upisuje se bruto masa robe u kilogramima, zaokružena na dva decimalna mesta.
Ako bruto masa ne može da se odredi (prenos robe posebnim vidovima transporta: dalekovodi, cevovodi, gasovodi), ova rubrika se ne popunjava.
Rubrika 36 (Povlastica), upisuje se šifra zakonskog osnova za oslobođenje od plaćanja carine, neplaćanje carine, odnosno povećanje ili sniženje stope carine po Carinskom zakonu, propisima donetim na osnovu tog zakona, Zakona o Carinskoj tarifi, po osnovu međunarodnih ugovora, sporazuma o slobodnoj trgovini i drugih zakona, iz Kodeksa šifara.
Rubrika 37 (Postupak) popunjava se tako što se upisuje:
- u prvu podelu šifra traženog postupka i šifra prethodnog postupka iz Kodeksa šifara.
Prva cifra šifre traženog postupka i broj upisan u drugoj podeli rubrike jedan moraju biti jednaki.
Prethodni postupak je carinski postupak u kome je roba bila pre traženog postupka.
Ako nije postojao prethodni postupak, upisuju se dve nule.
- u drugu podelu šifra nacionalnog postupka, ako je propisana Kodeksom šifara.
U rubriku 38 (Neto masa u kg) upisuje se neto masa robe u kilogramima, zaokružena na dva decimalna mesta.
Ako neto masa ne može da se odredi (prenos robe posebnim vidovima transporta: dalekovodi, cevovodi, gasovodi), ova rubrika se ne popunjava.
Rubrika 39 (Kvota), ne popunjava se.
U rubriku 40 (Sažeta deklaracija ili prethodni dokument) upisuju se, odvojeno kosim crtama, šifra carinske ispostave, odnosno carinskog referata iz Kodeksa šifara, šifra vrste prethodne isprave iz Kodeksa šifara, broj prethodne isprave, godina prihvatanja prethodne isprave i redni broj naimenovanja robe iz prethodne isprave po kojoj je roba bila prijavljena ili MRN broj i redni broj naimenovanja iz prethodne isprave po kojoj je roba bila prijavljena odnosno po kojoj je sproveden postupak carinskog skladištenja.
Ako je potrebno upisati više prethodnih isprava, u ovu rubriku upisuje se reč: "specifikacija", a uz JCI se podnosi specifikacija prethodnih isprava u kojoj se uz svako naimenovanje navodi bruto masa koja se razdužuje.
U rubriku 41 (Dopunska jedinica) upisuje se količina robe u jedinici mere iz treće podele rubrike 33 zaokružena na dva decimalna mesta.
Ako je u trećoj podeli rubrike 33 navedena šifra: XX, ova rubrika se ne popunjava.
U rubriku 42 (Cena robe) upisuje se iznos u valuti iz prve podele rubrike 22 za robu prijavljenu u naimenovanju, zaokružen na dva decimalna mesta.
Prilikom ponovnog izvoza proizvoda dobijenih pri aktivnom oplemenjivanju, upisuje se iznos koji je jednak iznosu u valuti iz prve podele rubrike 22 za robu prijavljenu u naimenovanju, zaokružen na dva decimalna mesta, a kada se roba direktno isporučuje trećem licu, po nalogu vlasnika robe, upisuje se ukupan iznos iz fakture, odnosno proforma fakture vlasnika robe prema tom trećem licu.
Ako se ponovno izvozi istovrsna roba nedeljiva po količini, a koja je bila stavljena u više prethodnih postupaka, u ovu rubriku upisuje se iznos koji je jednak dodatoj vrednosti robe, koja je bila stavljena u prethodni postupak iz tog naimenovanja.
Rubrika 43 (MV - Metod vrednovanja), ako se pri izvozu naplaćuju dažbine, u ovu rubriku upisuje se odgovarajuća šifra iz Kodeksa šifara.
U rubriku 44 (Dodatne informacije/Podnete isprave/Potvrde i odobrenja) upisuju se podaci o vrsti i broju priloženih isprava, podaci o traženim dozvolama, rok privremenog izvoza robe, odnosno pasivnog oplemenjivanja i podaci koji se zahtevaju drugim propisima.
Podaci, ako su određeni u Kodeksu šifara, upisuju se u šifarskom obliku, a ako nisu upisuju se rečima.
Ako se koriste obe vrste, prvo se navode šifarski, a zatim tekstualni podaci. Uputstvo za upis šifarskih podataka navedeno je u Kodeksu šifara.
Za priložene isprave koje se odnose na sva naimenovanja JCI, šifre i podaci priloženih isprava unose se samo kod prvog naimenovanja.
Ako u ovoj rubrici nema dovoljno mesta za upis šifarskih podataka, upisuje se reč: "specifikacija". U ovom slučaju uz JCI podnosi se specifikacija priloženih isprava, koja sadrži podatke propisane za popunjavanje rubrike 44.
Upisuju se, po potrebi, podaci o odobrenju i sertifikatu, kao i podaci o vlasniku robe koji nije poslovno nastanjen u carinskom području Republike Srbije, a koji je strana u ugovoru sa licem navedenim u rubrici 2, na osnovu kojeg je to lice angažovano za iznošenje robe iz carinskog područja Republike Srbije.
Ako se u rubriku 2 unose podaci o nosiocu odgovarajuće isprave za robu koja se izvozi, koji nije vlasnik robe u trenutku izvoza, u tom slučaju u ovu rubriku unose se podaci o licu koje je vlasnik robe u trenutku izvoza, tj. upisuje se šifra: "KO1" - naziv vlasnika/ vlasnik.
Rubrika 45 (Prilagođavanje), ne popunjava se.
U rubriku 46 (Statistička vrednost) upisuje se vrednost robe u dinarima na paritetu franko granica Republike Srbije. Iznos iz rubrike 42 se preračunava u dinare po kursu iz rubrike 23.
Ako je ugovorena isporuka robe u inostranstvu, upisuje se fakturna vrednost umanjena za troškove prevoza, osiguranja i slanja robe od granice Republike Srbije do mesta isporuke u inostranstvu.
Ako je ugovorena isporuka robe u Republici Srbiji, upisuje se fakturna vrednost uvećana za troškove prevoza, osiguranja i slanja robe od mesta isporuke do granice Republike Srbije.
U deklaraciji za ponovni izvoz proizvoda dobijenih pri aktivnom oplemenjivanju, u ovu rubriku se upisuje ukupna vrednost robe uvezene radi aktivnog oplemenjivanja, usluga i domaće robe korišćene prilikom proizvodnje odnosno proizvodnih operacija, kao i drugi troškovi nastali na carinskom području Srbije.
Iznos koji se upisuje u ovu rubriku zaokružuje se na dva decimalna mesta.
Rubrika 47 (Obračun dažbina) popunjava se tako što se:
- u prvu podelu (vrsta) upisuje šifra vrste dažbine iz Kodeksa šifara;
- u drugu podelu (osnovica) upisuje vrednost, količina ili druga propisana osnovica za obračun dažbine zaokružena na dva decimalna mesta;
- u treću podelu (stopa) upisuje stopa dažbine navedene u prvoj podeli;
- u četvrtu podelu (iznos) upisuje iznos dažbine zaokružen na dva decimalna mesta, ako nije propisana stopa dažbine, odnosno ako je dažbina propisana u jedinici mere;
- u petu podelu (NP) upisuje šifra načina plaćanja ili obezbeđenja plaćanja carinskog duga iz Kodeksa šifara, i to samo kod prve dažbine u prvom naimenovanju.
U rubriku 48 (Odloženo plaćanje) odvojeno kosim crtama, upisuju se šifra vrste garancije iz Kodeksa šifara, PIB podnosioca garancije, šifra carinskog organa koji je prihvatio garanciju, broj garancije i godina garancije.
Rubrika 49 (Identifikacija skladišta) popunjava se ako je roba u skladištu, odnosno ako je prethodno bila predmet postupka carinskog skladištenja, privremenog smeštaja, odnosno ako je bila smeštena u slobodnoj zoni.
Upisuje se, odvojeno kosim crtama, šifra carinske ispostave, odnosno carinskog referata, šifra skladišta, privremenog smeštaja ili skladišta u slobodnoj zoni.
Rubrika 50 (Nosilac postupka), ne popunjava se.
Rubrika 51 (Planirane tranzitne carinarnice (i zemlja)) ne popunjava se.
Rubrika 52 (Garancija/koja ne važi za), ne popunjava se.
Rubrika 53 (Odredišna carinarnica (i zemlja)), ne popunjava se.
U rubriku 54 (mesto i datum - potpis i ime deklaranta/ zastupnika) upisuju se mesto i datum podnošenja deklaracije i PIB deklaranta/zastupnika.
Ako je deklarant/zastupnik fizičko lice u ovu rubriku upisuje svoje ime i prezime i potpis.
Ako je deklarant/zastupnik pravno lice, u rubriku 54 se upisuje naziv i adresa firme, ime i prezime odgovornog lica u pravnom licu i svojeručni potpis.
Ako je deklarant/zastupnik carinski agent u ovu rubriku upisuje svoj identifikacioni broj i stavlja otisak ličnog pečata.
U slučaju elektronske razmene podataka, kao poslednji podatak u ovoj rubrici unosi se identifikacija podnete JCI. Identifikacija može imati najviše 20 znakova. Za identifikaciju koriste se slova: "A, B, V, G, D, E, Z, I, J, K, L, M, N, O, P, R, S, T, U, F, H, C, Q, W, X, i Y", brojevi i znaci : " -,/".
Rubrika 55 (Pretovar), ne popunjava se.
Rubrika 56 (Druge nezgode za vreme prevoza/preduzete mere), ne popunjava se.
Rubrike JCI za izvoz, ponovni izvoz, privremeni izvoz i pasivno oplemenjivanje, označene velikim slovima, popunjavaju se na sledeći način.
U rubriku A (Carinarnica otpreme/izvoza/odredišta) upisuje se:
- u prvi red - naziv carinske ispostave, odnosno carinskog referata kome se roba prijavljuje;
- u drugi red, odvojeno kosim crtama - šifra carinske ispostave, odnosno carinskog referata iz Kodeksa šifara, broj i datum prihvatanja JCI;
- u treći red, odvojeno kosim crtama - vreme prihvatanja JCI i službeni broj ovlašćenog carinskog službenika;
- u četvrti red, u slučaju elektronske razmene podataka, u JCI BIS unosi se identifikacija podnete JCI iz rubrike 54 JCI.
U rubriku B (Detalji obračuna) upisuju se podaci koji nisu mogli da se unesu u druge rubrike, kao i procenjeni iznos dažbina, ako za robu u postupku može nastati carinski dug.
Rubrika C (Polazna carinarnica) popunjava se samo u JCI za zajednički izvozni i tranzitni postupak, kada se upisuje:
- u prvi red - naziv odredišne carinske ispostave, odnosno carinskog referata kome je roba predata;
- u drugi red, odvojeno kosim crtama - šifra odredišne carinske ispostave, odnosno carinskog referata iz Kodeksa šifara, datum i vreme predaje robe;
- u treći red - službeni broj ovlašćenog carinskog službenika odredišne carinske ispostave, odnosno carinskog referata, koji je prihvatio JCI.
U gornji desni ugao ove rubrike stavlja se otisak službenog pečata odredišne carinarnice.
U rubriku D/J (Kontrola polazne i odredišne carinarnice) upisuju se:
- u prvi red (Rezultat) podaci o izvršenom pregledu robe, odnosno priloženih isprava, a ako pregled nije izvršen, prvi red se ne popunjava;
- u drugi red (Stavljene plombe: Broj) ukupan broj stavljenih carinskih obeležja;
- u treći red (Identitet) podaci o vrstama i oznakama stavljenih carinskih obeležja;
- u četvrti red (Rok (datum)) datum i vreme kad je roba puštena i, u JCI za zajednički postupak izvoza i postupak tranzita odvojeno kosom crtom, datum kao rok predaje robe odredišnoj carinarnici;
- u peti red (Potpis) identifikacioni brojevi ovlašćenih carinskih službenika koji su izvršili pregled robe odnosno priloženih isprava, u gornjem desnom uglu rubrike (Pečat) otisak službenog pečata carinske ispostave, odnosno carinskog referata.
U rubriku E/J (Kontrola carinarnice otpreme/izvoza/ odredišta) upisuju se podaci koji zbog nedostatka prostora nisu mogli stati u rubriku D/J.
Rubrika G (Potvrda nadležnih organa) ne popunjava se.
Rubrika I (Kontrola odredišne carinarnice), ne popunjava se.
Rubrika H (Naknadna kontrola), ne popunjava se.
IV. Način popunjavanja rubrika JCI za stavljanje robe u slobodan promet, privremeni uvoz, aktivno oplemenjivanje, ponovni uvoz, carinsko skladištenje i uništenje robe
U JCI za stavljanje robe u slobodan promet, privremeni uvoz, aktivno oplemenjivanje, ponovni uvoz i uništenje robe, popunjavaju se rubrike označene brojevima 1, 2, 3, 5, 6, 7, 8, 14, 15, 15a, 16, 18, 19, 20, 22, 23, 24, 25, 29, 31, 32, 33, 34a, 35, 36, 37, 38, 39, 40, 41, 42, 43, 44, 46, 47, 48, 49 i 54.
U JCI za postupak carinskog skladištenja popunjavaju se rubrike označene brojevima 1, 2, 3, 5, 6, 7, 8, 14, 15, 15a, 16, 19, 22, 31, 32, 34a, 35, 37, 38, 40, 42, 44, 48, 49 i 54.
U JCI za postupak skladištenja robe radi njenog ponovnog izvoza i poslove zastupanja pored rubrika iz stava 2. ovog člana popunjavaju se i rubrika 24, treća podela rubrike 33 i rubrika 41.
U JCI za smeštaj robe u slobodnim carinskim prodavnicama i JCI za prodaju robe u slobodnim carinskim prodavnicama pored rubrika iz stava 2. ovog člana, popunjavaju se i treća podela rubrike 33 i rubrika 41.
U slučaju podnošenja pojednostavljene deklaracije iz člana 145. Carinskog zakona, za stavljanje robe u slobodan promet popunjavaju se rubrike označene brojevima: 1, 2, 8, 14, 31, 33, 37, 40 i 54, a mogu se popuniti, ako je to potrebno, i druge rubrike.
U slučaju podnošenja pojednostavljene deklaracije iz člana 145. Carinskog zakona, za aktivno oplemenjivanje i privremenog uvoza popunjavaju se rubrike označene brojevima: 1, 8, 14, 31, 33, 37, 40 i 54, a u rubrici 44 - pozivanje na odobrenje ili na zahtev kada se primenjuje član 284. Uredbe. Ako je to potrebno mogu se popuniti i druge rubrike.
Pojednostavljena deklaracija iz člana 145. Carinskog zakona, za postupak carinskog skladištenja sadrži podatke potrebne za identifikaciju robe na koju se deklaracija odnosi, uključujući i količinu te robe.
Rubrike JCI popunjavaju se na sledeći način:
Rubrika 1 (Deklaracija) U prvu podelu ove rubrike upisuje se: "UV".
U drugu podelu rubrike 1 upisuje se jedna od sledećih šifara:
4 - za stavljanje robe u slobodni promet,
5 - za privremeni uvoz robe i aktivno oplemenjivanje
6 - za ponovni uvoz robe,
7 - za carinsko skladištenje robe i unos robe u slobodnu zonu,
9 - uništenje robe.
Ako se podnosi pojednostavljena JCI za pojednostavljeni carinski postupak na osnovu fakture iz člana 231. Uredbe, u treću podelu upisuje se oznaka: "PF", ako se podnosi JCI u pojednostavljenom postupku uvoza robe koja se nalazi u prostoru primaoca, u treću podelu upisuje se oznaka: "KC", ako se podnosi pojednostavljena JCI iz člana 145. Carinskog zakona, u treću podelu upisuje se oznaka: "NP", a ako se podnosi dopunska JCI u treću podelu upisuje se oznaka: "FP", ako se podnosi dopunska JCI za ekspresne pošiljke unosi se oznaka: "DE", a ako se podnosi dopunska JCI u pojednostavljenom postupku uvoza robe podnošenjem deklaracije u obliku evidentiranja u poslovnim knjigama deklaranta upisuje se oznaka: "DZ".
Rubrika 2 (Pošiljalac/Izvoznik) popunjava se tako što se upisuju:
- u drugi red - naziv lica, pošiljaoca robe odnosno poslednjeg prodavca robe pre uvoza u Republiku Srbiju;
- u treći red - sedište, odnosno prebivalište i adresa pošiljaoca robe odnosno poslednjeg prodavca robe pre uvoza u Republiku Srbiju i, odvojeno kosom crtom, šifra države, odnosno carinske teritorije iz Kodeksa šifara, u kojoj se nalazi sedište.
U rubriku 3 (Obrasci) koja se sastoji od dve podele, upisuju se podaci o broju obrazaca.
U prvu podelu se upisuje redni broj obrasca, a u drugu podelu ukupan broj obrazaca.
Ako se uz JCI ne podnosi dodatni list na obrascu JCI BIS, ova rubrika se ne popunjava.
Rubrika 4 (Tovarni list), ne popunjava se.
U rubriku 5 (Naimenovanja) dužine tri mesta, upisuje se ukupan broj naimenovanja u JCI i JCI BIS.
U rubriku 6 (Broj paketa) upisuje se ukupan broj koleta koja se prijavljuju po ispravi bez navođenja njihove vrste. Ako je pošiljka u rasutom stanju, ova rubrika se ne popunjava.
U rubriku 7 (Referentni broj) upisuju se identifikacioni podaci o pošiljci.
Ako se razlikuje od datuma prihvatanja JCI, u ovu rubriku se posle identifikacionih podataka o pošiljci, odvojeno kosom crtom, upisuje datum za primenu propisa za utvrđivanje iznosa carine i drugih dažbina.
Rubrika 8 (Primalac) popunjava se tako što se upisuje:
- u prvi red (gornji desni ugao) - PIB primaoca robe. Ako lice nema PIB, upisuje se odgovarajuća šifra iz Kodeksa šifara;
- u drugi red - naziv primaoca robe;
- u treći red - sedište, odnosno prebivalište ili boravište i adresa primaoca robe.
Primalac odnosno uvoznik robe je lice za čiji račun se podnosi deklaracija i koje je, u vreme prihvatanja deklaracije vlasnik robe ili ima slična prava raspolaganja robom.
Izuzetno, u slučaju primene propisa koji uređuje donacije i humanitarnu pomoć i u drugim slučajevima, kada vlasnik robe nije nosilac odgovarajuće isprave za robu za koju je propisano izdavanje iste i koju je neophodno priložiti prilikom podnošenja deklaracije, upisuje se nosilac te isprave koju je za robu izdao nadležni organ u skladu sa propisima.
Izuzetno, u slučaju primene člana 422. stav 3. Uredbe, upisuje se ekspresni operator.
Rubrika 9 (Lice odgovorno za finansijsko poravnanje), ne popunjava se.
Rubrika 10 (Zemlja slanja/odredišta), ne popunjava se. Rubrika 11 (Zemlja trgovca/proizvođača), ne popunjava se. Rubrika 12 (Podaci o vrednosti), ne popunjava se.
Rubrika 13 (ZPP - Zajednička poljoprivredna politika), ne popunjava se.
Rubrika 14 (Deklarant/zastupnik) popunjava se tako što se upisuju:
- u prvi red (gornji desni ugao - PIB deklaranta/zastupnika. Ako lice nema PIB upisuje se odgovarajuća šifra iz Kodeksa šifara.
- u drugi red - naziv deklaranta/zastupnika;
- u treći red - sedište, prebivalište odnosno boravište i adresa deklaranta/zastupnika.
U slučaju zastupanja navode se podaci o obliku zastupanja, i to:
- u slučaju neposrednog zastupanja, ispred PIB upisuje se šifra: "N",
- u slučaju posrednog zastupanja, ispred PIB upisuje se šifra: "P".
Ako je deklarant istovremeno i primalac iz rubrike 8, u desni gornji ugao upisuje se njegov PIB a umesto naziva deklaranta upisuje se: "PRIMALAC".
U rubriku 15 (Zemlja otpreme/izvoza) upisuje se naziv države, odnosno carinske teritorije iz koje se roba šalje.
Rubrika 15a i 15b (Šifra zemlje otpreme/izvoza) U podelu a) ove rubrike upisuje se šifra države, odnosno carinske teritorije koja je upisana u rubriku 15, iz Kodeksa šifara.
Podela b) ne popunjava se.
U rubriku 16 (Zemlja porekla) upisuju se šifra i naziv države, odnosno carinske teritorije porekla robe iz Kodeksa šifara.
Ako se po JCI prijavljuje roba različitog porekla, ova rubrika se ne popunjava.
U slučaju podnošenja JCI za stavljanje u slobodan promet ekspresnih pošiljki, na osnovu člana 421. stav 3. tačka 3) Uredbe, ova rubrika se ne popunjava.
Rubrika 17 (Zemlja odredišta), ne popunjava se.
Rubrika 17a i 17b (Šifra zemlje odredišta), ne popunjava se.
Rubrika 18 (Identitet i nacionalnost prevoznog sredstva na polasku/u prispeću)
U prvu podelu ove rubrike upisuje se registarski broj prevoznog sredstva u kome se nalazi roba.
Druga podela ne popunjava se.
Ako se po jednoj JCI prijavljuje roba koja je smeštena u više prevoznih sredstava (kamiona, vagona i dr.), u ovu rubriku upisuje se reč: "specifikacija", a uz JCI se podnosi specifikacija prevoznih sredstava, sa navođenjem njihovih registarskih oznaka i naznačavanjem koja se roba nalazi u pojedinom prevoznom sredstvu.
Ako se roba ne nalazi u prevoznom sredstvu, ova rubrika se ne popunjava.
U rubriku 19 (Kontejner) upisuje se jedna od šifara:
0 - ako roba nije u kontejneru;
1 - ako je roba u kontejneru.
Rubrika 20 (Uslovi isporuke) popunjava se tako što se upisuje:
- u prvu podelu - šifra pariteta isporuke iz Kodeksa šifara;
- u drugu podelu - mesto pariteta isporuke;
- u treću podelu - šifra mesta pariteta isporuke iz Kodeksa šifara.
Rubrika 21 (Identitet i nacionalnost aktivnog prevoznog sredstva koje prelazi granicu), ne popunjava se.
Rubrika 22 (Valuta i ukupan iznos iz fakture) popunjava se tako što se upisuje:
- u prvu podelu - šifra valute iz Kodeksa šifara;
- u drugu podelu:
- ukoliko se radi o kupoprodaji robe, ukupan iznos iz fakture bez oduzetih popusta u valuti iz prve podele, zaokružen na dva decimalna mesta.
- ukoliko nije reč o kupoprodaji robe, vrednost robe navedena u pratećem dokumentu na osnovu kojeg je prijavljena vrednost robe;
- u slučaju primene člana 422. stav 3. Uredbe upisuje se ukupan iznos iz faktura upisanih u rubriku 44.
U deklaraciji za ponovni uvoz robe posle pasivnog oplemenjivanja, u drugu podelu se upisuje ukupna vrednost iz fakture koja se sastoji od vrednosti stranog ugrađenog materijala i vrednosti usluga.
Vrednost upisana u ovu rubriku jednaka je zbiru vrednosti upisanih u rubriku 42, u svim naimenovanjima.
U rubriku 23 (Kurs valute) upisuje se zvanični kurs dinara za stranu valutu iz prve podele rubrike 22, koji važi na dan utvrđivanja iznosa uvoznih dažbina.
Rubrika 24 (Vrsta posla) popunjava se tako što se upisuje:
- u prvu podelu - šifra vrste posla iz kolone A Kodeksa šifara;
- u drugu podelu - šifra vrste posla iz kolone B Kodeksa šifara.
U slučaju podnošenja JCI za stavljanje u slobodan promet ekspresnih pošiljki, na osnovu člana 421. stav 3. tačka 3) Uredbe, ova rubrika se ne popunjava.
U rubriku 25 (Vrsta saobraćaja na granici) upisuje se šifra vrste prevoznog sredstva iz Kodeksa šifara, kojim je roba prešla carinsku liniju.
Rubrika 26 (Unutrašnja vrsta saobraćaja), ne popunjava se.
Rubrika 27 (Mesto utovara/istovara), ne popunjava se.
Rubrika 28 (Finansijski i bankarski podaci), ne popunjava se.
U rubriku 29 (Izlazna/ulazna carinarnica) upisuje se šifra granične carinske ispostave, odnosno carinskog referata kome je roba prijavljena prilikom ulaska u carinsko područje.
Rubrika 30 (Mesto robe), ne popunjava se.
U rubriku 31 (Pakovanje i naimenovanje robe, oznake i brojevi - kontejner broj - broj i vrsta) upisuje se:
- u prvi red, odvojeno kosim crtama, ukupan broj, vrsta i oznake koleta;
Ako se zbog nedostatka prostora, u prvi red ne mogu upisati sve oznake koleta, upisuje se reč: "specifikacija", a uz JCI se prilaže specifikacija oznaka koleta.
Ako se po JCI carini roba iz više naimenovanja smeštena u jedno koleto, podaci o tom koletu upisuju se u ovu rubriku kod prvog naimenovanja, dok se kod ostalih naimenovanja robe koja se nalazi u tom koletu prvi red ove rubrike ne popunjava.
- u drugi i ostale redove ove rubrike upisuje se naimenova- nje robe iz Carinske tarife i, odvojeno kosom crtom, uobičajeni trgovački naziv robe, uključujući tip, model i naziv proizvođača, kao i podaci potrebni za identifikaciju i svrstavanje robe po drugim tarifama i propisima koji se primenjuju pri uvozu robe.
Ako šifra robe u rubrici 33 zavisi od veličine, mase ili drugih fizičkih kriterijuma (parametara), naimenovanje treba da sadrži te podatke.
Ako naplata akcize, odnosno poreza na dodatu vrednost ili drugih uvoznih dažbina zavisi od određenog svojstva robe, to svojstvo se, pored ostalih podataka, navodi u naimenovanju.
Izuzetno, naimenovanje robe popunjava se na sledeći način:
- ako se privremeno uvozi ili ponovno uvozi privremeno izvezena roba radi izlaganja na međunarodnim sajmovima, izložbama ili drugim priredbama, odnosno štand - materijal koji je bio namenjen uređenju sajamskih prostorija, upisuje se: "sajamska roba", odnosno: "izložbena roba", odnosno: "štand - materijal";
- ako se privremeno uvozi ili ponovo uvozi privremeno izvezeni alat, sitan inventar, radio oprema i televizijska oprema, upisuje se: "alat i sitan inventar", "radio i TV oprema";
- ako se uvoze delovi predmeta naoružanja i vojne opreme upisuje se: "delovi predmeta naoružanja i vojne opreme";
- ako se uvoze selidbene stvari fizičkih lica koja se doseljavaju u Republiku Srbiju upisuje se: "selidbene stvari", a ispod toga: "specifikacija";
- ako se primenjuje član 422. stav 3. Uredbe upisuje se: "roba iz člana 264. Carinskog zakona".
U rubriku 32 (Naimenovanje broj) upisuje se redni broj naimenovanja pod kojim se roba prijavljuje u JCI.
Rubrika 33 (Šifra robe) popunjava se tako što se upisuje:
- u prvu podelu prvih osam cifara tarifne oznake Carinske tarife u koju se roba svrstava;
- u drugu podelu upisuju se poslednje dve cifre te tarifne oznake i dve nule.
Ako se prilikom sprovođenja carinskog postupka primenjuju posebni spoljnotrgovinski, carinski, poreski, zdravstveni, sanitarni i drugi propisi, u drugu podelu ove rubrike, kao poslednje dve cifre upisuju se, umesto dve nule, dve poslednje cifre odgovarajuće šifre iz propisa čija se primena traži.
Ako se privremeno uvozi ili ponovno uvozi privremeno izvezena roba koja je bila izložena na međunarodnim sajmovima, izložbama ili drugim priredbama, odnosno štand - materijal koji je bio namenjen uređenju sajamskih prostorija, u prvu i drugu podelu ove rubrike upisuje se šifra: "44500000 0101".
Ako se privremeno uvozi ili ponovno uvozi privremeno izvezen alat, sitan inventar, radio oprema ili televizijska oprema, u prvu i drugu podelu upisuje se šifra: "82500000 0102".
Ako se uvoze selidbene stvari fizičkih lica koja se doseljavaju u Republiku Srbiju, u prvu i drugu podelu upisuje se šifra: "94500000 0201".
Ako se roba carini primenom stope iz čl. 41. i 264. Carinskog zakona, u prvu i drugu podelu upisuje se šifra: "34500000 0109".
U treću podelu upisuje se šifra propisane jedinice mere iz Kodeksa šifara. Ako ugovorena jedinica mere nije propisana i navedena u Kodeksu šifara, preračunava se u odgovarajuću propisanu jedinicu mere iz Kodeksa šifara, a u treću podelu upisuje se šifra preračunate jedinice mere. U slučaju podnošenja JCI za stavljanje u slobodan promet ekspresnih pošiljki, na osnovu člana 421. stav 3. tačka 3) i stav 4. Uredbe, u ovu podelu upisuje se šifra jedinice mere: "KD".
Za robu koja se sukcesivno uvozi u smislu člana 4. Zakona o Carinskoj tarifi, a nedeljiva je po količini, u treću podelu upisuje se šifra: "GG". Pri uvozu poslednje pošiljke kojom se roba kompletira, u treću podelu upisuje se odgovarajuća šifra iz ovog pravilnika.
U četvrtu podelu upisuje se šifra oblika uvoza iz Kodeksa šifara i, odvojena kosom crtom, šifra namene uvoza iz Kodeksa šifara. U slučaju podnošenja JCI za stavljanje u slobodan promet ekspresnih pošiljki, na osnovu člana 421. stav 3. tačka 3) i stav 4. Uredbe, u ovu podelu upisuje se šifra namene uvoza 03.
Peta podela ove rubrike popunjava se tako što se upisuje šifra zakonskog osnova za oslobođenje, odnosno plaćanje poreza na dodatu vrednost iz Kodeksa šifara i, odvojeno kosom crtom, šifra zakonskog osnova za oslobođenje od plaćanja akcize iz Kodeksa šifara.
Rubrika 34 (Šifra zemlje porekla) U podelu a), upisuje se šifra države, odnosno carinske teritorije porekla iz Kodeksa šifara.
Podela b) ne popunjava se.
Ova rubrika se ne popunjava ako je u rubrici 16 navedena država, odnosno carinska teritorija porekla.
U slučaju podnošenja JCI za stavljanje u slobodan promet ekspresnih pošiljki, na osnovu člana 421. stav 3. tačka 3) Uredbe, ova rubrika se ne popunjava.
U rubriku 35 (Bruto masa u kg) upisuje se bruto masa robe u kilogramima, zaokružena na dva decimalna mesta.
Ako bruto masa ne može da se odredi (prenos robe posebnim vidovima transporta: dalekovodi, cevovodi, gasovodi), ova rubrika se ne popunjava.
U rubriku 36 (Povlastica) upisuje se šifra zakonskog osnova za oslobođenje od plaćanja carine, neplaćanje carine, odnosno povećanje ili sniženje stope carine po Carinskom zakonu, propisima donetim na osnovu tog zakona, Zakona o Carinskoj tarifi, po osnovu međunarodnih ugovora, sporazuma o slobodnoj trgovini i drugih zakona, iz Kodeksa šifara.
Rubrika 37 (Postupak) popunjava se tako što se upisuje:
- u prvu podelu šifra traženog postupka i šifra prethodnog postupka iz Kodeksa šifara.
Prva cifra šifre traženog postupka i broj upisan u drugoj podeli rubrike jedan moraju biti jednaki.
Prethodni postupak je carinski postupak u kome je roba bila pre traženog postupka.
Ako nije postojao prethodni postupak, upisuju se dve nule.
- u drugu podelu šifra nacionalnog postupka iz Kodeksa šifara.
Ako nema šifre nacionalnog postupka ova rubrika se ne popunjava.
U rubriku 38 (Neto masa u kg) upisuje se neto masa robe u kilogramima zaokružena na dva decimalna mesta.
Ako neto masa ne može da se odredi (prenos robe posebnim vidovima transporta: dalekovodi, cevovodi, gasovodi), ova rubrika se ne popunjava.
U rubriku 39 (Kvota) upisuje se evidencioni broj pod kojim je u Upravi carina evidentirano rešenje doneto na osnovu člana 43. tačka 1. Carinskog zakona.
U rubriku 40 (Sažeta deklaracija ili prethodni dokument) upisuju se, odvojeno kosim crtama, šifra carinske ispostave, odnosno carinskog referata iz Kodeksa šifara, šifra vrste prethodne isprave iz Kodeksa šifara, broj prethodne isprave, godina prihvatanja prethodne isprave i redni broj naimenovanja robe iz prethodne isprave po kojoj je roba bila prijavljena ili MRN broj i redni broj naimenovanja iz prethodne isprave po kojoj je roba bila prijavljena odnosno na kojoj je sproveden postupak carinskog skladištenja.
Ako je potrebno upisati više prethodnih isprava, u ovu rubriku upisuje se reč: "specifikacija", a uz JCI se podnosi specifikacija prethodnih isprava u kojoj se uz svako naimenovanje navodi bruto masa koja se razdužuje.
U slučaju primene člana 422. stav 3. Uredbe upisuju se jedinstveni brojevi pošiljaka ("K" brojevi) sa konsolidovanog manifesta.
U rubriku 41 (Dopunska jedinica) upisuje se količina robe u jedinici mere iz treće podele rubrike 33, zaokružena na dva decimalna mesta.
U rubriku 42 (Cena robe) upisuje se iznos u valuti iz prve podele rubrike 22 za robu prijavljenu u naimenovanju, zaokružen na dva decimalna mesta.
Prilikom ponovnog uvoza proizvoda dobijenih u pasivnom oplemenjivanju, upisuje se iznos koji je jednak dodatoj vrednosti (vrednost ugrađenog stranog materijala i vrednost usluga).
U rubriku 43 (MV - Metod vrednovanja) upisuje se odgovarajuća šifra iz Kodeksa šifara.
U rubriku 44 (Dodatne informacije/Podnete isprave/Potvrde i odobrenja) upisuju se podaci o vrsti i broju priloženih isprava, podaci o traženim dozvolama, rok privremenog uvoza, aktivnog oplemenjivanja i podaci koji se zahtevaju drugim propisima, kao i podatak o licu koje je nosilac prava na oslobođenje od plaćanja carine ili prava na uvoz robe po sniženoj stopi carine, zbog posebne namene robe, a koja roba ostaje pod carinskim nadzorom radi primene člana 18. stav 5. i člana 41. stav 7. Carinskog zakona.
Podaci, ako su određeni u Kodeksu šifara, upisuju u šifarskom obliku, a ako nisu upisuju se rečima.
Ako se koriste obe vrste, prvo se navode šifarski, a zatim tekstualni podaci. Uputstvo za upis šifarskih podataka navedeno je u Kodeksu šifara.
Za priložene isprave koje se odnose na sva naimenovanja JCI, šifre i podaci priloženih isprava unose se samo kod prvog naimenovanja.
Ako u ovoj rubrici nema dovoljno mesta za upis šifarskih podataka, upisuje se reč: "specifikacija". U ovom slučaju uz JCI podnosi se specifikacija priloženih isprava, koja sadrži podatke propisane za popunjavanje rubrike 44.
Upisuju se, po potrebi, podaci o odobrenju i sertifikatu.
Ako vlasnik robe za koju je propisano izdavanje odgovarajuće isprave od strane nadležnog organa, nije nosilac te isprave, upisuje se šifra: "K01" - naziv vlasnika - vlasnik.
U slučaju primene člana 422. stav 3. Uredbe upisuju se sve fakture koje se odnose na predmetne pošiljke.
Rubrika 45 (Prilagođavanje), ne popunjava se.
U rubriku 46 (Statistička vrednost) upisuje se vrednost robe u dinarima na paritetu franko granica Republike Srbije. Iznos iz rubrike 42 preračunava se u dinare po kursu iz rubrike 23.
Ako je ugovorena isporuka robe u inostranstvu, upisuje se fakturna vrednost uvećana za troškove prevoza, osiguranja i slanja robe od mesta isporuke u inostranstvu do granice Republike Srbije.
Ako je ugovorena isporuka robe u Republici Srbiji, upisuje se fakturna vrednost umanjena za troškove prevoza, osiguranja i slanja robe od granice Republike Srbije do mesta isporuke.
U deklaraciji za ponovni uvoz proizvoda dobijenih u pasivnom oplemenjivanju, u ovu rubriku upisuje se ukupna vrednost robe izvezene radi pasivnog oplemenjivanja, usluga i strane robe korišćene prilikom proizvodnje, odnosno proizvodnih operacija, kao i drugi troškovi nastali u inostranstvu.
Iznos koji se upisuje u ovu rubriku zaokružuje se na dva decimalna mesta.
Rubrika 47 (Obračun dažbina) popunjava se tako što se:
- u prvu podelu (vrsta) upisuje šifra vrste dažbine iz Kodeksa šifara;
- u drugu podelu (osnovica) upisuje vrednost, količina ili druga propisana osnovica za obračun dažbine zaokružena na dva decimalna mesta, a za šifre 4 i 6 iz druge podele rubrike 1 uz dažbine 01 i 09 upisuje se carinska vrednost robe, odnosno poreska osnovica, bez obzira da li nastaje carinski dug, odnosno obaveza plaćanja PDV ili ne;
- u treću podelu (stopa) upisuje stopa dažbine navedene u prvoj podeli;
- u četvrtu podelu (iznos) upisuje iznos dažbine zaokružen na dva decimalna mesta, ako nije propisana stopa dažbine, odnosno ako je propisana u jedinici mere. U deklaraciji za ponovni uvoz robe sa pasivnog oplemenjivanja, u ovu podelu upisuje se iznos dažbina u smislu člana 74. stav 6. Carinskog zakona;
- u petu podelu (NP) upisuje šifra načina plaćanja ili obezbeđenja plaćanja carinskog duga iz Kodeksa šifara, i to samo kod prve dažbine u prvom naimenovanju.
U rubriku 48 (Odloženo plaćanje) odvojeno kosim crtama, upisuju se šifra vrste garancije iz Kodeksa šifara, PIB podnosioca garancije, šifra carinskog organa koji je prihvatio garanciju, broj garancije i godina garancije.
Rubrika 49 (Identifikacija skladišta) Ako se ova rubrika popunjava u postupku carinskog skladištenja ili prilikom unošenja robe u slobodnu zonu upisuje se, odvojeno kosim crtama, šifra carinske ispostave, odnosno carinskog referata, šifra skladišta ili slobodne zone, broj iz evidencije držaoca i datum smeštaja robe.
Ako je roba bila, pre traženog carinskog postupka, predmet postupka carinskog skladištenja ili je bila prethodno unesena u slobodnu zonu, u rubriku 49 upisuje se, odvojeno kosim crtama, šifra carinske ispostave, odnosno carinskog referata, šifra skladišta ili slobodne zone.
Rubrika 50 (Nosilac postupka), ne popunjava se.
Rubrika 51 (Planirane tranzitne carinarnice (i zemlja)), ne popunjava se.
Rubrika 52 (Garancija/koja ne važi za), ne popunjava se.
Rubrika 53 (Odredišna carinarnica (i zemlja)), ne popunjava se.
U rubriku 54 (mesto i datum - potpis i ime deklaranta/zastupnika) upisuju se mesto i datum podnošenja deklaracije i PIB deklaranta/zastupnika.
Ako je deklarant/zastupnik fizičko lice u ovu rubriku upisuje svoje ime i prezime i potpis.
Ako je deklarant/zastupnik pravno lice, u rubriku 54 se upisuje naziv i adresa firme, ime i prezime odgovornog lica u pravnom licu i svojeručni potpis.
Ako je deklarant/zastupnik carinski agent u ovu rubriku upisuje svoj identifikacioni broj i stavlja otisak ličnog pečata.
U slučaju elektronske razmene podataka, kao poslednji podatak u ovoj rubrici unosi se identifikacija podnete JCI.
Identifikacija može imati najviše 20 znakova. Za identifikaciju koriste se slova: "A, B, V, G, D, E, Z, I, J, K, L, M, N, O, P, R, S, T, U, F, H, C, Q, W, X, i Y", brojevi i znaci: " -, /".
Rubrika 55 (Pretovar), ne popunjava se.
Rubrika 56 (Druge nezgode za vreme prevoza/ preduzete mere), ne popunjava se.
Rubrike za stavljanje robe u slobodan promet, privremeni uvoz, aktivno oplemenjivanje, ponovni uvoz, carinsko skladištenje i uništenje robe, označene velikim slovima, popunjavaju se na sledeći način.
U rubriku A (Carinarnica otpreme/izvoza/odredišta) upisuje se:
- u prvi red - naziv carinske ispostave, odnosno carinskog referata kome se roba prijavljuje;
- u drugi red, odvojeno kosim crtama - šifra carinske ispostave, odnosno carinskog referata iz Kodeksa šifara, broj i datum prihvatanja JCI;
- u treći red, odvojeno kosim crtama - vreme prihvatanja JCI i službeni broj ovlašćenog carinskog službenika;
- u četvrti red, u slučaju elektronske razmene podataka, u JCI BIS unosi se identifikacija podnete JCI iz rubrike 54 JCI.
U rubriku B (Detalji obračuna) upisuju se podaci koji nisu mogli da se unesu u druge rubrike.
Rubrika C (Polazna carinarnica), ne popunjava se.
U rubriku D/J (Kontrola polazne i odredišne carinarnice) upisuju se:
- u prvi red (Rezultat) podaci o izvršenom pregledu robe, odnosno priloženih isprava, a ako pregled nije izvršen, prvi red se ne popunjava;
- u drugi red (Stavljene plombe: Broj) ukupan broj stavljenih carinskih obeležja;
- u treći red (Identitet) podaci o vrstama i oznakama stavljenih carinskih obeležja;
- u četvrti red (Rok (datum)) datum i vreme kad je roba puštena;
- u peti red (Potpis) identifikacioni brojevi ovlašćenih carinskih službenika koji su izvršili pregled robe odnosno priloženih isprava, u gornjem desnom uglu rubrike (Pečat) otisak službenog pečata carinske ispostave, odnosno carinskog referata.
U rubriku E/J (Kontrola carinarnice otpreme/izvoza/ odredišta) upisuju se podaci koji zbog nedostatka prostora nisu mogli stati u rubriku D/J.
Rubrika G (Potvrda nadležnih organa) ne popunjava se.
Rubrika I (Kontrola odredišne carinarnice), ne popunjava se.
Rubrika H (Naknadna kontrola), ne popunjava se.